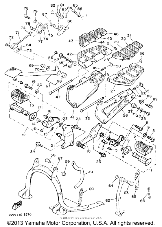
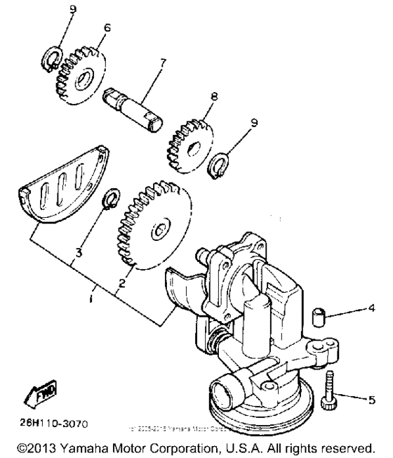
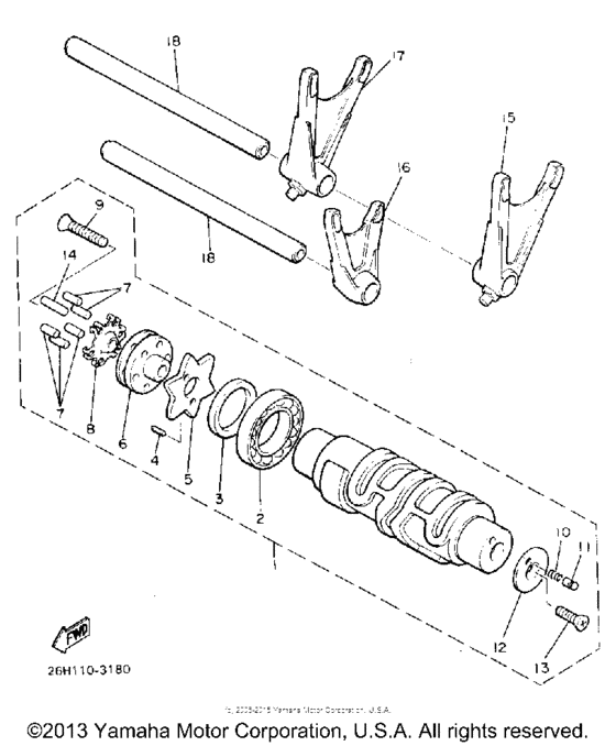
Запчасти для мотоциклов Yamaha XVZ13DAC Venture Royale

Год: 1990  •  Объем двигателя: 1300

Запчасти для мотоциклов Yamaha XVZ13DAC Venture Royale
Вид: