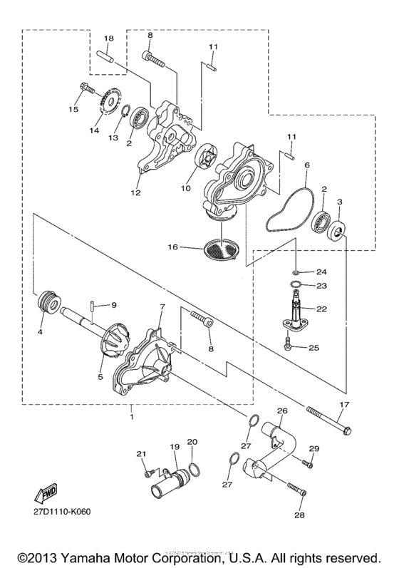
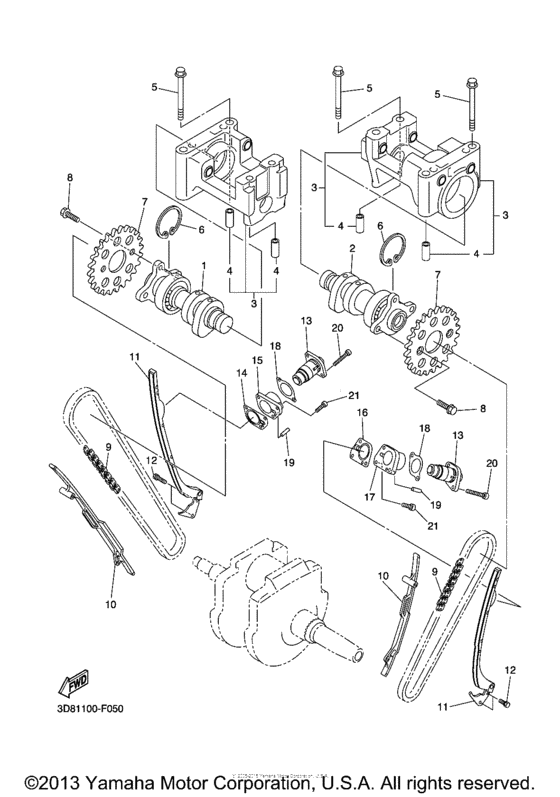
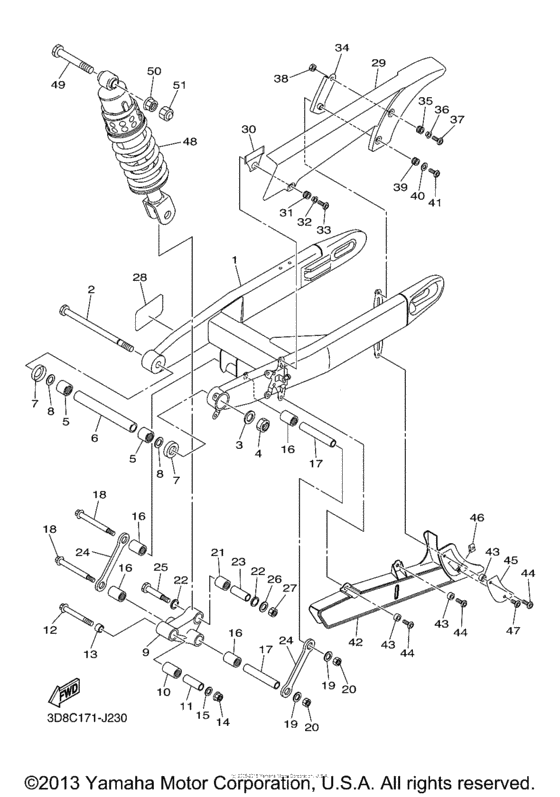
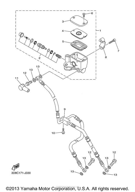
Запчасти для мотоциклов Yamaha XVS1300CT V-Star Tourer

Год: 2011  •  Код модели: 5S6E  •  Объем двигателя: 1300

Запчасти для мотоциклов Yamaha XVS1300CT V-Star Tourer
Вид: