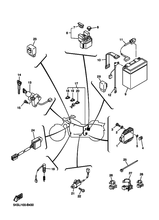
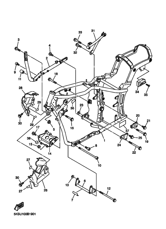
Запчасти для мотоциклов Yamaha XVS1100AT XVS11ATR V-Star Silverado

Год: 2003  •  Код модели: 5KSW  •  Объем двигателя: 1100

Запчасти для мотоциклов Yamaha XVS1100AT XVS11ATR V-Star Silverado
Вид: