• О Компании
  • Оплата и Доставка
  • Помощь
  • Обратная связь
  • Контакты
  • Telegram
  • ВКонтакте
  • Telegram
  • ВКонтакте
  • Регистрация
  • Авторизация
Интернет магазин мотозапчастей PartsFor.ru
Москва и регионы России
  • Личный кабинет
    • Заказы
    • Оплаты
    • Отгрузки
    • Сообщения
    • Профиль
    • Выход
  • Оригинальные запчасти
    • Для мотоциклов
    • Yamaha
    • Honda
    • Suzuki
    • Kawasaki
    • Harley Davidson
    • Ducati
    • Can-Am
    • Aprilia
    • BMW
    • Triumph
    • Husaberg
    • Husqvarna
    • KTM
    • Indian
    • Victory
    • Slingshot
    • Для мотоциклов
    • Для квадроциклов
    • Для снегоходов
    • Для мотовездеходов
    • Для гидроциклов
    • Для лодочных моторов
    • Для катеров
    • Для судовых двигателей
    • Для генераторов
    • Для квадроциклов
    • Yamaha
    • Honda
    • Suzuki
    • Kawasaki
    • Arctic Cat
    • Can-Am
    • Polaris
    • KTM
    • Для снегоходов
    • Yamaha
    • Arctic Cat
    • Lynx
    • Ski-Doo
    • Polaris
    • Для генераторов
    • Для мотовездеходов
    • Yamaha
    • Honda
    • Suzuki
    • Kawasaki
    • Arctic Cat
    • Can-Am
    • Polaris
    • Polaris RZR
    • Для гидроциклов
    • Yamaha
    • Honda Marine
    • Kawasaki
    • Arctic Cat
    • Polaris
    • Sea-Doo
    • Для лодочных моторов
    • Для катеров
    • Для суд. двигателей
    • Для генераторов
    • Для лодочных моторов
    • Yamaha
    • Honda Marine
    • Suzuki Marine
    • Evinrude
    • Johnson
    • Nissan
    • Tohatsu
    • Mercury
    • Force
    • Mariner
    • Для катеров
    • Yamaha
    • Sea-Doo
    • Для суд. двигателей
    • Для спецтехники
  • Неоригинал, расходники
  • Заказ по каталогам
    • КАТАЛОГ PARTS UNLIMITED
  • Моторезина
  1. Главная
  2. Запчасти для мотоциклов
  3. Yamaha
  4. XV750
  5. XV750E

Запчасти для мотоциклов Yamaha XV750E Virago

Год: 1993  •  Объем двигателя: 750

Запчасти для мотоциклов Yamaha XV750E Virago
Вид:

  • XV750E Цепь механизма газораспределения
    Цепь механизма газораспределени я
  • XV750E Карбюратор
    Карбюратор
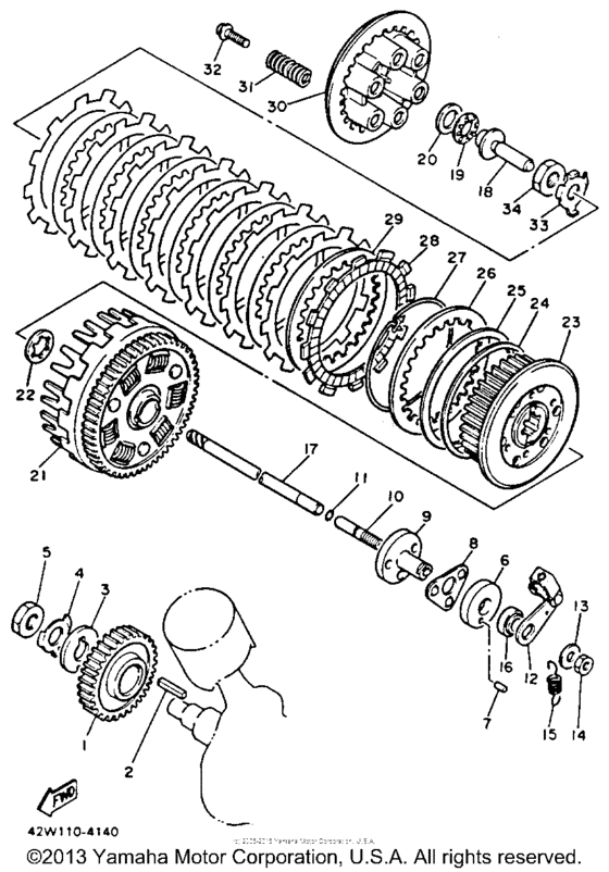
  • XV750E Сцепление
    Сцепление
  • XV750E Картер двигателя
    Картер двигателя
  • XV750E Боковые крышки
    Боковые крышки
    1
  • XV750E Коленчатый вал и Поршень
    Коленчатый вал и Поршень
  • XV750E Цилиндры
    Цилиндры
  • XV750E Ведущий вал
    Ведущий вал
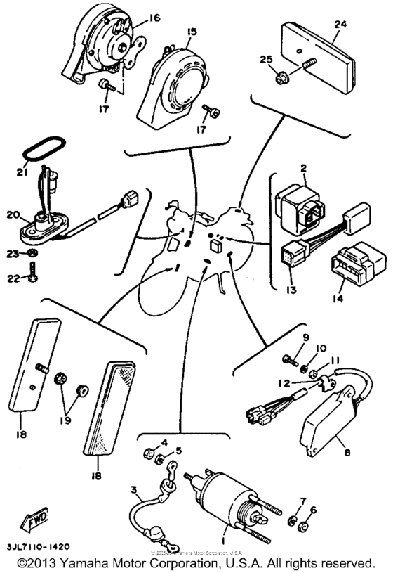
  • XV750E Электрика
    Электрика
    1
  • XV750E Электрика
    Электрика
    2
  • XV750E Выхлопная система
    Выхлопная система
  • XV750E Крыло
    Крыло
  • XV750E Рама
    Рама
  • XV750E Передний суппорт
    Передний суппорт
  • XV750E Передняя вилка
    Передняя вилка
  • XV750E Главный тормозной цилиндр
    Главный тормозной цилиндр
  • XV750E Переднее колесо
    Переднее колесо
  • XV750E Топливный бак
    Топливный бак
    Non calinia
  • XV750E Топливный бак
    Топливный бак
    Calinia
  • XV750E Генератор
    Генератор
  • XV750E Рулевые переключатели
    Рулевые переключатели
  • XV750E Троса
    Троса
  • XV750E Фара
    Фара
  • XV750E Приборы
    Приборы
  • XV750E Промежуточный ведущий вал
    Промежуточный ведущий вал
  • XV750E Маслянный фильтр
    Маслянный фильтр
  • XV750E Масляный насос
    Масляный насос
  • XV750E Переднее колесо
    Переднее колесо
  • XV750E Сиденье
    Сиденье
  • XV750E Копирный вал
    Копирный вал
  • XV750E Вал переключения
    Вал переключения
  • XV750E Боковые обтекатели
    Боковые обтекатели
  • XV750E Подножки
    Подножки
  • XV750E Муфта стартера
    Муфта стартера
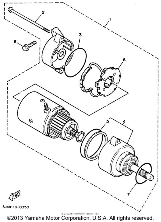
  • XV750E Стартер
    Стартер
  • XV750E Управление
    Управление
  • XV750E Подвеска задние амортизаторы
    Подвеска задние амортизаторы
  • XV750E Фонарь
    Фонарь
  • XV750E Трансмиссия
    Трансмиссия
  • XV750E Поворотники
    Поворотники
  • XV750E Клапана
    Клапана
  • XV750E Воздушный фильтр
    Воздушный фильтр
  • XV750E Головка цилиндра
    Головка цилиндра



  Информация
  • Новости
  • О Компании
  • Оплата и Доставка
  • Помощь
  • Обратная связь
  • Контакты
  OEM запчасти
  • Запчасти для мотоциклов
  • Запчасти для квадроциклов
  • Запчасти для снегоходов
  • Запчасти для мотовездеходов
  • Запчасти для гидроциклов
  • Запчасти для лодочных моторов
  Наши контакты
  • ИП Зуев Артем Павлович
  • г. Москва 2-я Хуторская улица, д.29, офис 214
  • Email: info@partsfor.ru

Тел: ‎8(495) 532-03-60
8(909) 958-46-33; 8(925) 200-16-98

* все разговоры записываются
С 10.00 до 19.00 ПН - ПТ

© 2026 Интернет магазин запчастей для мототехники ПартсФор.

  • PaymentGateway
  • PaymentGateway
Договор-оферта
Образец договора для юр.лиц
Пользовательское соглашение
Политика конфиденциальности

Товар добавлен в корзину

Выбранный товар добавлен в Вашу корзину.
Далее Вы можете перейти в корзину для оформления заказа или закрыть это окно и продолжить покупки.

Перейти в корзину

Выбор модели техники

Выбрать