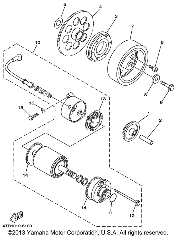
Муфта стартера

Yamaha XV535MC Virago

Yamaha
Муфта стартера
#oem кодцена
1
22U-15512-00-00
Деталь Gear, Idler 1 (12T/50T)
2
3
4TR-15590-00-00
Стартер односторонний
4
4VR-15517-01-00
Деталь Gear, Idler 2 (66T)
замена
4TR-15517-00-00
Деталь Gear, Idler 2 (66T)
5
90201-256K6-00
Шайба
замена
90201-25290-00
Шайба
6
замена
90110-08212-00
Болт диагональный
7
4TR-81450-00-00
Деталь Rotor Assembly
8
90201-107K6-00
Шайба
замена
90201-107E9-00
Шайба
9
90105-10152-00
Болт с шайбой
10
3JB-81890-00-00
Стартер
замена
3JB-81800-01-00
Система запуска двигателя assy
11
932-10242-35-00
Прокладка
замена
1FK-81847-00-00
Прокладка
12
13
3KS-81840-00-00
Щеткодержатель
14
35C-81844-00-00
Прокладка
замена
11H-81844-00-00
Прокладка
15
16
929-90066-00-00
Шайба