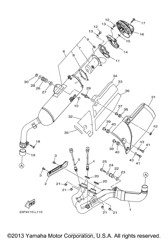
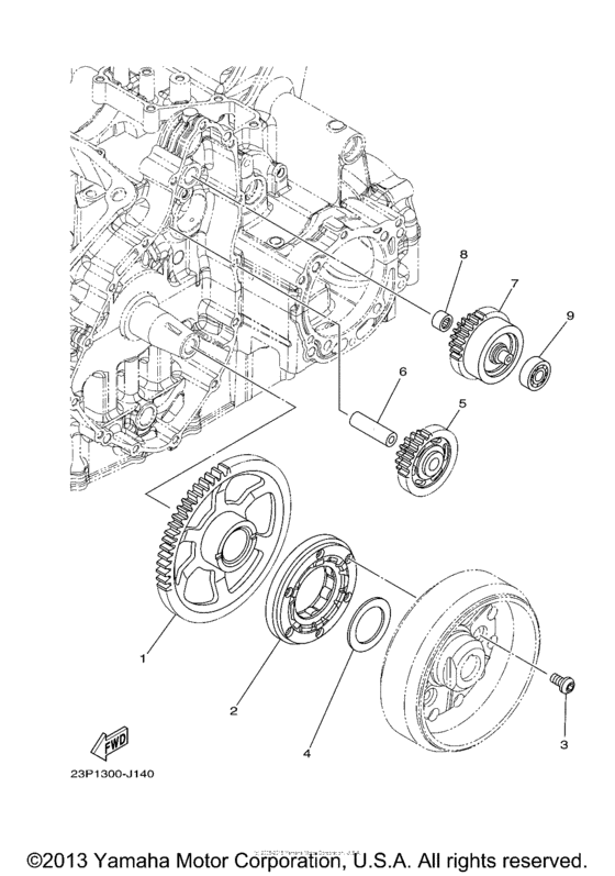
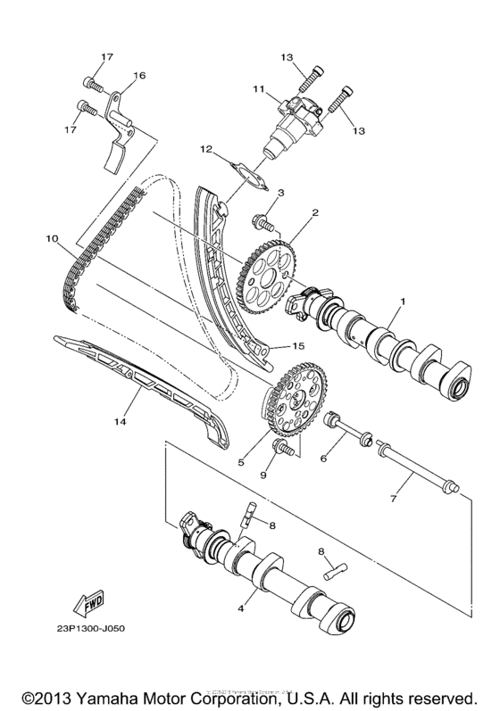
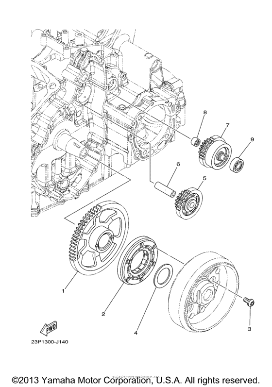
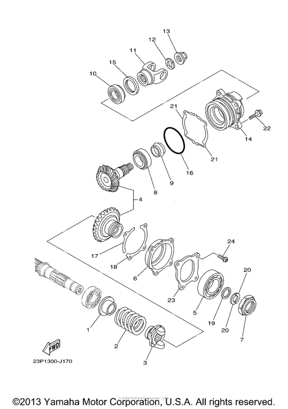
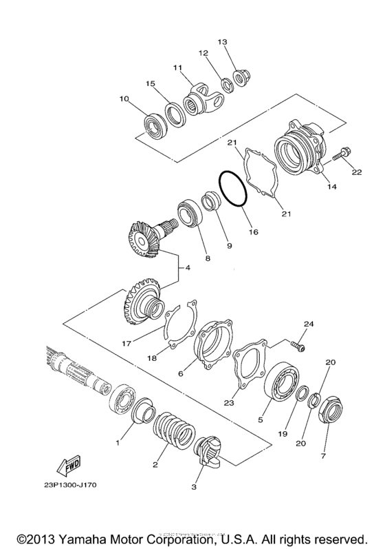
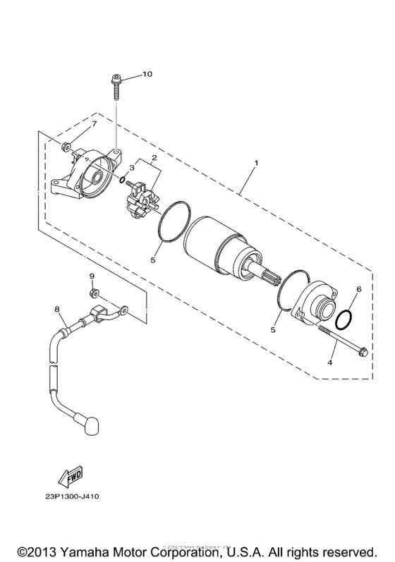
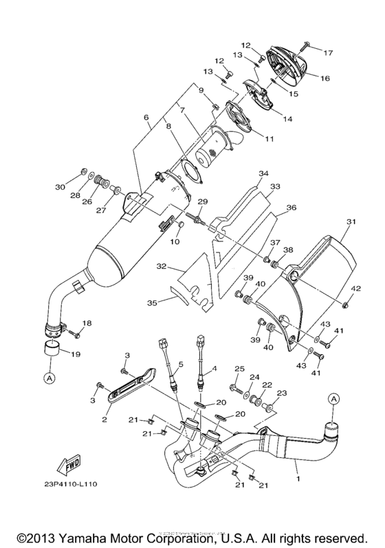
Запчасти для мотоциклов Yamaha XT1200Z Super Tenere

Год: 2013  •  Код модели: 23PK  •  Объем двигателя: 1200

Запчасти для мотоциклов Yamaha XT1200Z Super Tenere
Вид: