• О Компании
  • Оплата и Доставка
  • Помощь
  • Обратная связь
  • Контакты
  • Telegram
  • ВКонтакте
  • Telegram
  • ВКонтакте
  • Регистрация
  • Авторизация
Интернет магазин мотозапчастей PartsFor.ru
Москва и регионы России
  • Личный кабинет
    • Заказы
    • Оплаты
    • Отгрузки
    • Сообщения
    • Профиль
    • Выход
  • Оригинальные запчасти
    • Для мотоциклов
    • Yamaha
    • Honda
    • Suzuki
    • Kawasaki
    • Harley Davidson
    • Ducati
    • Can-Am
    • Aprilia
    • BMW
    • Triumph
    • Husaberg
    • Husqvarna
    • KTM
    • Indian
    • Victory
    • Slingshot
    • Для мотоциклов
    • Для квадроциклов
    • Для снегоходов
    • Для мотовездеходов
    • Для гидроциклов
    • Для лодочных моторов
    • Для катеров
    • Для судовых двигателей
    • Для генераторов
    • Для квадроциклов
    • Yamaha
    • Honda
    • Suzuki
    • Kawasaki
    • Arctic Cat
    • Can-Am
    • Polaris
    • KTM
    • Для снегоходов
    • Yamaha
    • Arctic Cat
    • Lynx
    • Ski-Doo
    • Polaris
    • Для генераторов
    • Для мотовездеходов
    • Yamaha
    • Honda
    • Suzuki
    • Kawasaki
    • Arctic Cat
    • Can-Am
    • Polaris
    • Polaris RZR
    • Для гидроциклов
    • Yamaha
    • Honda Marine
    • Kawasaki
    • Arctic Cat
    • Polaris
    • Sea-Doo
    • Для лодочных моторов
    • Для катеров
    • Для суд. двигателей
    • Для генераторов
    • Для лодочных моторов
    • Yamaha
    • Honda Marine
    • Suzuki Marine
    • Evinrude
    • Johnson
    • Nissan
    • Tohatsu
    • Mercury
    • Force
    • Mariner
    • Для катеров
    • Yamaha
    • Sea-Doo
    • Для суд. двигателей
    • Для спецтехники
  • Неоригинал, расходники
  • Заказ по каталогам
    • КАТАЛОГ PARTS UNLIMITED
  • Моторезина
  1. Главная
  2. Запчасти для мотоциклов
  3. Yamaha
  4. XS650
  5. XS650SH

Запчасти для мотоциклов Yamaha XS650SH

Год: 1981  •  Объем двигателя: 650

Запчасти для мотоциклов Yamaha XS650SH
Вид:

  • XS650SH A - c - generator
    A - c - generator
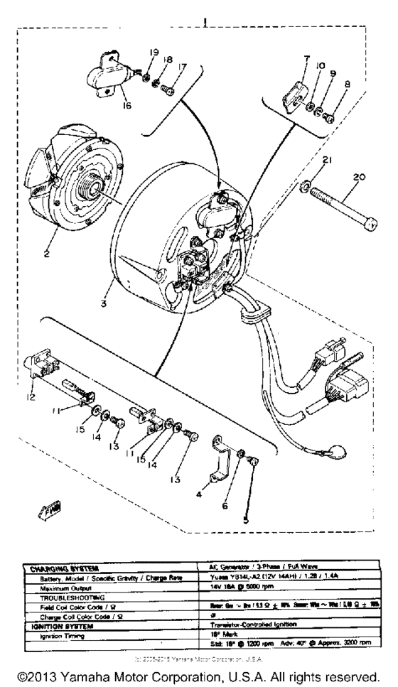
  • XS650SH Ac generator
    Ac generator
  • XS650SH Карбюратор
    Карбюратор
  • XS650SH Сцепление
    Сцепление
  • XS650SH Цилиндры
    Цилиндры
  • XS650SH Электрика
    Электрика
    1
  • XS650SH Электрика
    Электрика
    2
  • XS650SH Выхлопная система
    Выхлопная система
  • XS650SH Поворотники
    Поворотники
  • XS650SH Рама
    Рама
  • XS650SH Крыло переднее и задние
    Крыло переднее и задние
  • XS650SH Передняя вилка
    Передняя вилка
  • XS650SH Переднее колесо
    Переднее колесо
  • XS650SH Топливный бак
    Топливный бак
  • XS650SH Фара
    Фара
  • XS650SH Впускная система
    Впускная система
  • XS650SH Масляный насос
    Масляный насос
  • XS650SH Переднее колесо
    Переднее колесо
  • XS650SH Сиденье
    Сиденье
  • XS650SH Side cover tool
    Side cover tool
  • XS650SH Стартер
    Стартер
  • XS650SH Starting motor unit
    Starting motor unit
  • XS650SH Управление
    Управление
  • XS650SH Тахометр
    Тахометр
  • XS650SH Фонарь
    Фонарь
  • XS650SH Top end gasket kit
    Top end gasket kit
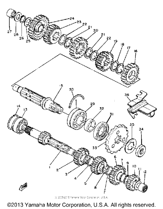
  • XS650SH Трансмиссия
    Трансмиссия
  • XS650SH Кик стартер
    Кик стартер
  • XS650SH Speedometer tachometer
    Speedometer tachometer
  • XS650SH Боковые крышки
    Боковые крышки
    1
  • XS650SH Боковые крышки
    Боковые крышки
    2
  • XS650SH Головка цилиндров
    Головка цилиндров
  • XS650SH Главный тормозной цилиндр
    Главный тормозной цилиндр
  • XS650SH Клапана
    Клапана
  • XS650SH Цепь механизма газораспределения
    Цепь механизма газораспределени я
  • XS650SH Коленчатый вал и Поршень
    Коленчатый вал и Поршень
  • XS650SH Передний суппорт
    Передний суппорт
  • XS650SH Рулевые переключатели
    Рулевые переключатели
  • XS650SH Троса
    Троса
  • XS650SH Задний рычаг подвески
    Задний рычаг подвески
  • XS650SH Копирный вал
    Копирный вал
  • XS650SH Shift shaft pedal
    Shift shaft pedal
  • XS650SH Подножки
    Подножки
  • XS650SH Double disc brake optional parts
    Double disc brake optional parts
  • XS650SH Double disc brake, optional parts
    Double disc brake, optional parts



  Информация
  • Новости
  • О Компании
  • Оплата и Доставка
  • Помощь
  • Обратная связь
  • Контакты
  OEM запчасти
  • Запчасти для мотоциклов
  • Запчасти для квадроциклов
  • Запчасти для снегоходов
  • Запчасти для мотовездеходов
  • Запчасти для гидроциклов
  • Запчасти для лодочных моторов
  Наши контакты
  • ИП Зуев Артем Павлович
  • г. Москва 2-я Хуторская улица, д.29, офис 214
  • Email: info@partsfor.ru

Тел: ‎8(495) 532-03-60
8(909) 958-46-33; 8(925) 200-16-98

* все разговоры записываются
С 10.00 до 19.00 ПН - ПТ

© 2026 Интернет магазин запчастей для мототехники ПартсФор.

  • PaymentGateway
  • PaymentGateway
Договор-оферта
Образец договора для юр.лиц
Пользовательское соглашение
Политика конфиденциальности

Товар добавлен в корзину

Выбранный товар добавлен в Вашу корзину.
Далее Вы можете перейти в корзину для оформления заказа или закрыть это окно и продолжить покупки.

Перейти в корзину

Выбор модели техники

Выбрать