• О Компании
  • Оплата и Доставка
  • Помощь
  • Обратная связь
  • Контакты
  • Telegram
  • ВКонтакте
  • Telegram
  • ВКонтакте
  • Регистрация
  • Авторизация
Интернет магазин мотозапчастей PartsFor.ru
Москва и регионы России
  • Личный кабинет
    • Заказы
    • Оплаты
    • Отгрузки
    • Сообщения
    • Профиль
    • Выход
  • Оригинальные запчасти
    • Для мотоциклов
    • Yamaha
    • Honda
    • Suzuki
    • Kawasaki
    • Harley Davidson
    • Ducati
    • Can-Am
    • Aprilia
    • BMW
    • Triumph
    • Husaberg
    • Husqvarna
    • KTM
    • Indian
    • Victory
    • Slingshot
    • Для мотоциклов
    • Для квадроциклов
    • Для снегоходов
    • Для мотовездеходов
    • Для гидроциклов
    • Для лодочных моторов
    • Для катеров
    • Для судовых двигателей
    • Для генераторов
    • Для квадроциклов
    • Yamaha
    • Honda
    • Suzuki
    • Kawasaki
    • Arctic Cat
    • Can-Am
    • Polaris
    • KTM
    • Для снегоходов
    • Yamaha
    • Arctic Cat
    • Lynx
    • Ski-Doo
    • Polaris
    • Для генераторов
    • Для мотовездеходов
    • Yamaha
    • Honda
    • Suzuki
    • Kawasaki
    • Arctic Cat
    • Can-Am
    • Polaris
    • Polaris RZR
    • Для гидроциклов
    • Yamaha
    • Honda Marine
    • Kawasaki
    • Arctic Cat
    • Polaris
    • Sea-Doo
    • Для лодочных моторов
    • Для катеров
    • Для суд. двигателей
    • Для генераторов
    • Для лодочных моторов
    • Yamaha
    • Honda Marine
    • Suzuki Marine
    • Evinrude
    • Johnson
    • Nissan
    • Tohatsu
    • Mercury
    • Force
    • Mariner
    • Для катеров
    • Yamaha
    • Sea-Doo
    • Для суд. двигателей
    • Для спецтехники
  • Неоригинал, расходники
  • Заказ по каталогам
    • КАТАЛОГ PARTS UNLIMITED
  • Моторезина
  1. Главная
  2. Запчасти для мотоциклов
  3. Yamaha
  4. XP500
  5. XP500

Запчасти для мотоциклов Yamaha XP500 T-MAX

Год: 2002  •  Код модели: 5GJ8  •  Объем двигателя: 500

Запчасти для мотоциклов Yamaha XP500 T-MAX
Вид:

  • XP500 参照情報一覧
    参照情報一覧
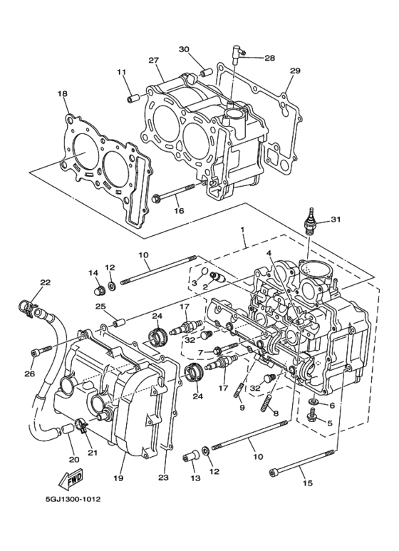
  • XP500 シリンダ
    シリンダ
  • XP500 クランクシヤフト. ピストン
    クランクシヤフト. ピストン
  • XP500 バルブ
    バルブ
  • XP500 カムシヤフト. チエーン
    カムシヤフト. チエーン
  • XP500 ウオータポンプ
    ウオータポンプ
  • XP500 ラジエタ. ホース
    ラジエタ. ホース
  • XP500 オイルポンプ
    オイルポンプ
  • XP500 インテーク
    インテーク
  • XP500 キヤブレタ
    キヤブレタ
  • XP500 エキゾースト
    エキゾースト
  • XP500 クランクケース
    クランクケース
  • XP500 クランクケースカバー 1
    クランクケースカバー 1
  • XP500 クランクケースカバー 2
    クランクケースカバー 2
  • XP500 スタータ
    スタータ
  • XP500 クラツチ
    クラツチ
  • XP500 クラツチ 2
    クラツチ 2
  • XP500 トランスミツシヨン
    トランスミツシヨン
  • XP500 サブ トランスミツシヨン
    サブ トランスミツシヨン
  • XP500 フレーム
    フレーム
  • XP500 フエンダ
    フエンダ
  • XP500 サイドカバー
    サイドカバー
  • XP500 リヤアーム. サスペンシヨン
    リヤアーム. サスペンシヨン
  • XP500 ステアリング
    ステアリング
  • XP500 フロントフオーク
    フロントフオーク
  • XP500 フユエルタンク
    フユエルタンク
  • XP500 シート
    シート
  • XP500 シート 2
    シート 2
  • XP500 フロントホイール
    フロントホイール
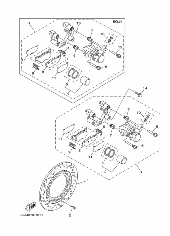
  • XP500 フロントブレーキキヤリパ
    フロントブレーキキヤリパ
  • XP500 リヤホイール
    リヤホイール
  • XP500 リヤブレーキキヤリパ
    リヤブレーキキヤリパ
  • XP500 ステアリングハンドル. ケーブル
    ステアリングハンドル. ケーブル
  • XP500 フロントマスタシリンダ
    フロントマスタシリンダ
  • XP500 スタンド. フートレスト
    スタンド. フートレスト
  • XP500 スタンド. フートレスト 2
    スタンド. フートレスト 2
  • XP500 レツグシールド
    レツグシールド
  • XP500 ウインドシールド
    ウインドシールド
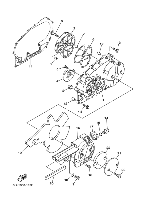
  • XP500 ゼネレータ
    ゼネレータ
  • XP500 フラツシヤライト
    フラツシヤライト
  • XP500 メータ
    メータ
  • XP500 ヘツドライト
    ヘツドライト
  • XP500 テールライト
    テールライト
  • XP500 ハンドルスイツチ. レバー
    ハンドルスイツチ. レバー
  • XP500 エレクトリカル 1
    エレクトリカル 1
  • XP500 エレクトリカル 2
    エレクトリカル 2
  • XP500 グラフイツク. エンブレム
    グラフイツク. エンブレム



  Информация
  • Новости
  • О Компании
  • Оплата и Доставка
  • Помощь
  • Обратная связь
  • Контакты
  OEM запчасти
  • Запчасти для мотоциклов
  • Запчасти для квадроциклов
  • Запчасти для снегоходов
  • Запчасти для мотовездеходов
  • Запчасти для гидроциклов
  • Запчасти для лодочных моторов
  Наши контакты
  • ИП Зуев Артем Павлович
  • г. Москва 2-я Хуторская улица, д.29, офис 214
  • Email: info@partsfor.ru

Тел: ‎8(495) 532-03-60
8(909) 958-46-33; 8(925) 200-16-98

* все разговоры записываются
С 10.00 до 19.00 ПН - ПТ

© 2026 Интернет магазин запчастей для мототехники ПартсФор.

  • PaymentGateway
  • PaymentGateway
Договор-оферта
Образец договора для юр.лиц
Пользовательское соглашение
Политика конфиденциальности

Товар добавлен в корзину

Выбранный товар добавлен в Вашу корзину.
Далее Вы можете перейти в корзину для оформления заказа или закрыть это окно и продолжить покупки.

Перейти в корзину

Выбор модели техники

Выбрать