• О Компании
  • Оплата и Доставка
  • Помощь
  • Обратная связь
  • Контакты
  • Telegram
  • ВКонтакте
  • Telegram
  • ВКонтакте
  • Регистрация
  • Авторизация
Интернет магазин мотозапчастей PartsFor.ru
Москва и регионы России
  • Личный кабинет
    • Заказы
    • Оплаты
    • Отгрузки
    • Сообщения
    • Профиль
    • Выход
  • Оригинальные запчасти
    • Для мотоциклов
    • Yamaha
    • Honda
    • Suzuki
    • Kawasaki
    • Harley Davidson
    • Ducati
    • Can-Am
    • Aprilia
    • BMW
    • Triumph
    • Husaberg
    • Husqvarna
    • KTM
    • Indian
    • Victory
    • Slingshot
    • Для мотоциклов
    • Для квадроциклов
    • Для снегоходов
    • Для мотовездеходов
    • Для гидроциклов
    • Для лодочных моторов
    • Для катеров
    • Для судовых двигателей
    • Для генераторов
    • Для квадроциклов
    • Yamaha
    • Honda
    • Suzuki
    • Kawasaki
    • Arctic Cat
    • Can-Am
    • Polaris
    • KTM
    • Для снегоходов
    • Yamaha
    • Arctic Cat
    • Lynx
    • Ski-Doo
    • Polaris
    • Для генераторов
    • Для мотовездеходов
    • Yamaha
    • Honda
    • Suzuki
    • Kawasaki
    • Arctic Cat
    • Can-Am
    • Polaris
    • Polaris RZR
    • Для гидроциклов
    • Yamaha
    • Honda Marine
    • Kawasaki
    • Arctic Cat
    • Polaris
    • Sea-Doo
    • Для лодочных моторов
    • Для катеров
    • Для суд. двигателей
    • Для генераторов
    • Для лодочных моторов
    • Yamaha
    • Honda Marine
    • Suzuki Marine
    • Evinrude
    • Johnson
    • Nissan
    • Tohatsu
    • Mercury
    • Force
    • Mariner
    • Для катеров
    • Yamaha
    • Sea-Doo
    • Для суд. двигателей
    • Для спецтехники
  • Неоригинал, расходники
  • Заказ по каталогам
    • КАТАЛОГ PARTS UNLIMITED
  • Моторезина
  1. Главная
  2. Запчасти для мотоциклов
  3. Yamaha
  4. XJ700
  5. XJ700XS

Запчасти для мотоциклов Yamaha XJ700XS Maxim X

Год: 1986  •  Объем двигателя: 700

Запчасти для мотоциклов Yamaha XJ700XS Maxim X
Вид:

  • XJ700XS Цепь механизма газораспределения
    Цепь механизма газораспределени я
  • XJ700XS Сцепление
    Сцепление
  • XJ700XS Картер двигателя
    Картер двигателя
  • XJ700XS Боковые крышки
    Боковые крышки
  • XJ700XS Коленчатый вал и Поршень
    Коленчатый вал и Поршень
  • XJ700XS Цилиндры
    Цилиндры
  • XJ700XS Головка цилиндров
    Головка цилиндров
  • XJ700XS Ведущий вал
    Ведущий вал
  • XJ700XS Электрика
    Электрика
    1
  • XJ700XS Электрика
    Электрика
    2
  • XJ700XS Выхлопная система
    Выхлопная система
  • XJ700XS Крыло
    Крыло
  • XJ700XS Рама
    Рама
  • XJ700XS Передний суппорт
    Передний суппорт
  • XJ700XS Передняя вилка
    Передняя вилка
  • XJ700XS Главный тормозной цилиндр
    Главный тормозной цилиндр
  • XJ700XS Переднее колесо
    Переднее колесо
  • XJ700XS Топливный бак
    Топливный бак
  • XJ700XS Генератор
    Генератор
  • XJ700XS Рулевые переключатели
    Рулевые переключатели
  • XJ700XS Троса
    Троса
  • XJ700XS Фара
    Фара
  • XJ700XS Приборы
    Приборы
  • XJ700XS Промежуточный ведущий вал
    Промежуточный ведущий вал
  • XJ700XS Маслянный фильтр
    Маслянный фильтр
  • XJ700XS Масляный насос
    Масляный насос
  • XJ700XS Pickup coil governor
    Pickup coil governor
  • XJ700XS Радиатор и Патрубки
    Радиатор и Патрубки
  • XJ700XS Переднее колесо
    Переднее колесо
  • XJ700XS Сиденье
    Сиденье
  • XJ700XS Копирный вал
    Копирный вал
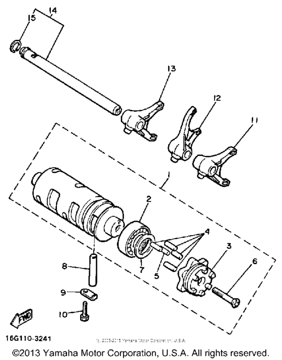
  • XJ700XS Вал переключения
    Вал переключения
  • XJ700XS Боковые обтекатели
    Боковые обтекатели
  • XJ700XS Подножки
    Подножки
  • XJ700XS Стартер
    Стартер
  • XJ700XS Стартер
    Стартер
  • XJ700XS Управление
    Управление
  • XJ700XS Фонарь
    Фонарь
  • XJ700XS Трансмиссия
    Трансмиссия
  • XJ700XS Поворотники
    Поворотники
  • XJ700XS Клапана
    Клапана
  • XJ700XS Водяной насос
    Водяной насос
  • XJ700XS Воздушный фильтр
    Воздушный фильтр
  • XJ700XS Карбюратор
    Карбюратор
  • XJ700XS Бугель и задние амортизаторы
    Бугель и задние амортизаторы



  Информация
  • Новости
  • О Компании
  • Оплата и Доставка
  • Помощь
  • Обратная связь
  • Контакты
  OEM запчасти
  • Запчасти для мотоциклов
  • Запчасти для квадроциклов
  • Запчасти для снегоходов
  • Запчасти для мотовездеходов
  • Запчасти для гидроциклов
  • Запчасти для лодочных моторов
  Наши контакты
  • ИП Зуев Артем Павлович
  • г. Москва 2-я Хуторская улица, д.29, офис 214
  • Email: info@partsfor.ru

Тел: ‎8(495) 532-03-60
8(909) 958-46-33; 8(925) 200-16-98

* все разговоры записываются
С 10.00 до 19.00 ПН - ПТ

© 2026 Интернет магазин запчастей для мототехники ПартсФор.

  • PaymentGateway
  • PaymentGateway
Договор-оферта
Образец договора для юр.лиц
Пользовательское соглашение
Политика конфиденциальности

Товар добавлен в корзину

Выбранный товар добавлен в Вашу корзину.
Далее Вы можете перейти в корзину для оформления заказа или закрыть это окно и продолжить покупки.

Перейти в корзину

Выбор модели техники

Выбрать