• О Компании
  • Оплата и Доставка
  • Помощь
  • Обратная связь
  • Контакты
  • Telegram
  • ВКонтакте
  • Telegram
  • ВКонтакте
  • Регистрация
  • Авторизация
Интернет магазин мотозапчастей PartsFor.ru
Москва и регионы России
  • Личный кабинет
    • Заказы
    • Оплаты
    • Отгрузки
    • Сообщения
    • Профиль
    • Выход
  • Оригинальные запчасти
    • Для мотоциклов
    • Yamaha
    • Honda
    • Suzuki
    • Kawasaki
    • Harley Davidson
    • Ducati
    • Can-Am
    • Aprilia
    • BMW
    • Triumph
    • Husaberg
    • Husqvarna
    • KTM
    • Indian
    • Victory
    • Slingshot
    • Для мотоциклов
    • Для квадроциклов
    • Для снегоходов
    • Для мотовездеходов
    • Для гидроциклов
    • Для лодочных моторов
    • Для катеров
    • Для судовых двигателей
    • Для генераторов
    • Для квадроциклов
    • Yamaha
    • Honda
    • Suzuki
    • Kawasaki
    • Arctic Cat
    • Can-Am
    • Polaris
    • KTM
    • Для снегоходов
    • Yamaha
    • Arctic Cat
    • Lynx
    • Ski-Doo
    • Polaris
    • Для генераторов
    • Для мотовездеходов
    • Yamaha
    • Honda
    • Suzuki
    • Kawasaki
    • Arctic Cat
    • Can-Am
    • Polaris
    • Polaris RZR
    • Для гидроциклов
    • Yamaha
    • Honda Marine
    • Kawasaki
    • Arctic Cat
    • Polaris
    • Sea-Doo
    • Для лодочных моторов
    • Для катеров
    • Для суд. двигателей
    • Для генераторов
    • Для лодочных моторов
    • Yamaha
    • Honda Marine
    • Suzuki Marine
    • Evinrude
    • Johnson
    • Nissan
    • Tohatsu
    • Mercury
    • Force
    • Mariner
    • Для катеров
    • Yamaha
    • Sea-Doo
    • Для суд. двигателей
    • Для спецтехники
  • Неоригинал, расходники
  • Заказ по каталогам
    • КАТАЛОГ PARTS UNLIMITED
  • Моторезина
  1. Главная
  2. Запчасти для мотоциклов
  3. Yamaha
  4. TTR50
  5. TTR50EV

Запчасти для мотоциклов Yamaha TTR50EV TT-R50

Год: 2006  •  Объем двигателя: 50

Запчасти для мотоциклов Yamaha TTR50EV TT-R50
Вид:

  • TTR50EV Цепь механизма газораспределения
    Цепь механизма газораспределени я
  • TTR50EV Карбюратор
    Карбюратор
  • TTR50EV Сцепление
    Сцепление
  • TTR50EV Картер двигателя
    Картер двигателя
  • TTR50EV Боковые крышки
    Боковые крышки
    1
  • TTR50EV Коленчатый вал и Поршень
    Коленчатый вал и Поршень
  • TTR50EV Головка цилиндров
    Головка цилиндров
  • TTR50EV Электрика
    Электрика
    1
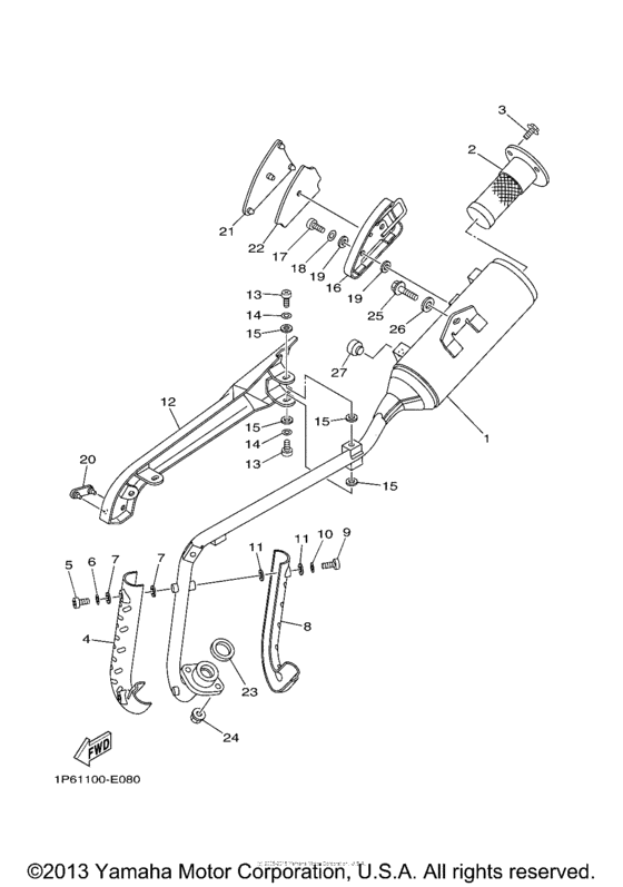
  • TTR50EV Выхлопная система
    Выхлопная система
  • TTR50EV Крыло
    Крыло
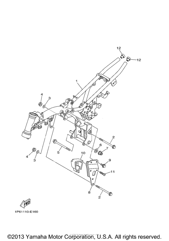
  • TTR50EV Рама
    Рама
  • TTR50EV Передняя вилка
    Передняя вилка
  • TTR50EV Переднее колесо
    Переднее колесо
  • TTR50EV Топливный бак
    Топливный бак
  • TTR50EV Генератор
    Генератор
  • TTR50EV Рулевые переключатели
    Рулевые переключатели
  • TTR50EV Впускная система
    Впускная система
  • TTR50EV Масляный насос
    Масляный насос
  • TTR50EV Задний рычаг подвески
    Задний рычаг подвески
  • TTR50EV Переднее колесо
    Переднее колесо
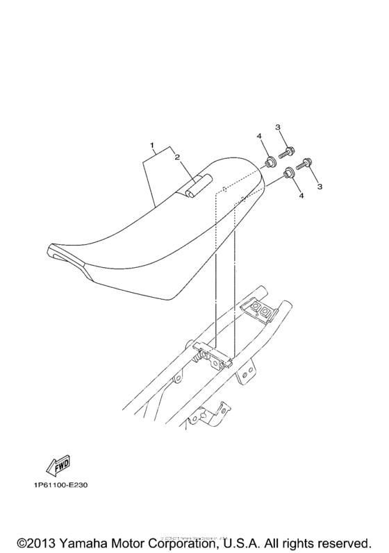
  • TTR50EV Сиденье
    Сиденье
  • TTR50EV Копирный вал
    Копирный вал
  • TTR50EV Вал переключения
    Вал переключения
  • TTR50EV Боковые обтекатели
    Боковые обтекатели
  • TTR50EV Подножки
    Подножки
  • TTR50EV Стартер
    Стартер
  • TTR50EV Стартер
    Стартер
  • TTR50EV Управление
    Управление
  • TTR50EV Троса
    Троса
  • TTR50EV Трансмиссия
    Трансмиссия
  • TTR50EV Клапана
    Клапана



  Информация
  • Новости
  • О Компании
  • Оплата и Доставка
  • Помощь
  • Обратная связь
  • Контакты
  OEM запчасти
  • Запчасти для мотоциклов
  • Запчасти для квадроциклов
  • Запчасти для снегоходов
  • Запчасти для мотовездеходов
  • Запчасти для гидроциклов
  • Запчасти для лодочных моторов
  Наши контакты
  • ИП Зуев Артем Павлович
  • г. Москва 2-я Хуторская улица, д.29, офис 214
  • Email: info@partsfor.ru

Тел: ‎8(495) 532-03-60
8(909) 958-46-33; 8(925) 200-16-98

* все разговоры записываются
С 10.00 до 19.00 ПН - ПТ

© 2026 Интернет магазин запчастей для мототехники ПартсФор.

  • PaymentGateway
  • PaymentGateway
Договор-оферта
Образец договора для юр.лиц
Пользовательское соглашение
Политика конфиденциальности

Товар добавлен в корзину

Выбранный товар добавлен в Вашу корзину.
Далее Вы можете перейти в корзину для оформления заказа или закрыть это окно и продолжить покупки.

Перейти в корзину

Выбор модели техники

Выбрать