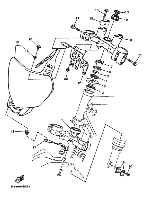
Запчасти для мотоциклов Yamaha TT-R230

Год: 2005  •  Код модели: 1C63  •  Объем двигателя: 230

Запчасти для мотоциклов Yamaha  TT-R230
Вид: