• О Компании
  • Оплата и Доставка
  • Помощь
  • Обратная связь
  • Контакты
  • Telegram
  • ВКонтакте
  • Telegram
  • ВКонтакте
  • Регистрация
  • Авторизация
Интернет магазин мотозапчастей PartsFor.ru
Москва и регионы России
  • Личный кабинет
    • Заказы
    • Оплаты
    • Отгрузки
    • Сообщения
    • Профиль
    • Выход
  • Оригинальные запчасти
    • Для мотоциклов
    • Yamaha
    • Honda
    • Suzuki
    • Kawasaki
    • Harley Davidson
    • Ducati
    • Can-Am
    • Aprilia
    • BMW
    • Triumph
    • Husaberg
    • Husqvarna
    • KTM
    • Indian
    • Victory
    • Slingshot
    • Для мотоциклов
    • Для квадроциклов
    • Для снегоходов
    • Для мотовездеходов
    • Для гидроциклов
    • Для лодочных моторов
    • Для катеров
    • Для судовых двигателей
    • Для генераторов
    • Для квадроциклов
    • Yamaha
    • Honda
    • Suzuki
    • Kawasaki
    • Arctic Cat
    • Can-Am
    • Polaris
    • KTM
    • Для снегоходов
    • Yamaha
    • Arctic Cat
    • Lynx
    • Ski-Doo
    • Polaris
    • Для генераторов
    • Для мотовездеходов
    • Yamaha
    • Honda
    • Suzuki
    • Kawasaki
    • Arctic Cat
    • Can-Am
    • Polaris
    • Polaris RZR
    • Для гидроциклов
    • Yamaha
    • Honda Marine
    • Kawasaki
    • Arctic Cat
    • Polaris
    • Sea-Doo
    • Для лодочных моторов
    • Для катеров
    • Для суд. двигателей
    • Для генераторов
    • Для лодочных моторов
    • Yamaha
    • Honda Marine
    • Suzuki Marine
    • Evinrude
    • Johnson
    • Nissan
    • Tohatsu
    • Mercury
    • Force
    • Mariner
    • Для катеров
    • Yamaha
    • Sea-Doo
    • Для суд. двигателей
    • Для спецтехники
  • Неоригинал, расходники
  • Заказ по каталогам
    • КАТАЛОГ PARTS UNLIMITED
  • Моторезина
  1. Главная
  2. Запчасти для мотоциклов
  3. Yamaha
  4. TTR125
  5. TTR125L

Запчасти для мотоциклов Yamaha TTR125L TT-R125

Год: 2000  •  Код модели: 5HP4  •  Объем двигателя: 125

Запчасти для мотоциклов Yamaha TTR125L TT-R125
Вид:

  • TTR125L Цилиндры
    Цилиндры
  • TTR125L Коленчатый вал и поршни
    Коленчатый вал и поршни
  • TTR125L Клапана
    Клапана
  • TTR125L Camshaft. chain
    Camshaft. chain
  • TTR125L Масляный насос
    Масляный насос
  • TTR125L Впускная система
    Впускная система
  • TTR125L Карбюратор
    Карбюратор
  • TTR125L Выхлопная система
    Выхлопная система
  • TTR125L Картер двигателя
    Картер двигателя
  • TTR125L Крышка картера двигателя
    Крышка картера двигателя
  • TTR125L Стартер
    Стартер
  • TTR125L Сцепление
    Сцепление
  • TTR125L Трансмиссия
    Трансмиссия
  • TTR125L Shift cam. fork
    Shift cam. fork
  • TTR125L Вал переключения
    Вал переключения
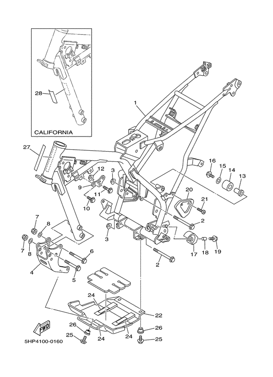
  • TTR125L Рама
    Рама
  • TTR125L Крыло
    Крыло
  • TTR125L Боковые обтекатели
    Боковые обтекатели
  • TTR125L Rear arm. suspension
    Rear arm. suspension
  • TTR125L Управление
    Управление
  • TTR125L Передняя вилка
    Передняя вилка
  • TTR125L Топливный бак
    Топливный бак
  • TTR125L Сиденье
    Сиденье
  • TTR125L Переднее колесо
    Переднее колесо
  • TTR125L Передний суппорт
    Передний суппорт
  • TTR125L Переднее колесо
    Переднее колесо
  • TTR125L Steering handle. cable
    Steering handle. cable
  • TTR125L Главный тормозной цилиндр
    Главный тормозной цилиндр
  • TTR125L Stand. footrest
    Stand. footrest
  • TTR125L Генератор
    Генератор
  • TTR125L Handle switch. lever
    Handle switch. lever
  • TTR125L Электрика 1
    Электрика 1



  Информация
  • Новости
  • О Компании
  • Оплата и Доставка
  • Помощь
  • Обратная связь
  • Контакты
  OEM запчасти
  • Запчасти для мотоциклов
  • Запчасти для квадроциклов
  • Запчасти для снегоходов
  • Запчасти для мотовездеходов
  • Запчасти для гидроциклов
  • Запчасти для лодочных моторов
  Наши контакты
  • ИП Зуев Артем Павлович
  • г. Москва 2-я Хуторская улица, д.29, офис 214
  • Email: info@partsfor.ru

Тел: ‎8(495) 532-03-60
8(909) 958-46-33; 8(925) 200-16-98

* все разговоры записываются
С 10.00 до 19.00 ПН - ПТ

© 2026 Интернет магазин запчастей для мототехники ПартсФор.

  • PaymentGateway
  • PaymentGateway
Договор-оферта
Образец договора для юр.лиц
Пользовательское соглашение
Политика конфиденциальности

Товар добавлен в корзину

Выбранный товар добавлен в Вашу корзину.
Далее Вы можете перейти в корзину для оформления заказа или закрыть это окно и продолжить покупки.

Перейти в корзину

Выбор модели техники

Выбрать