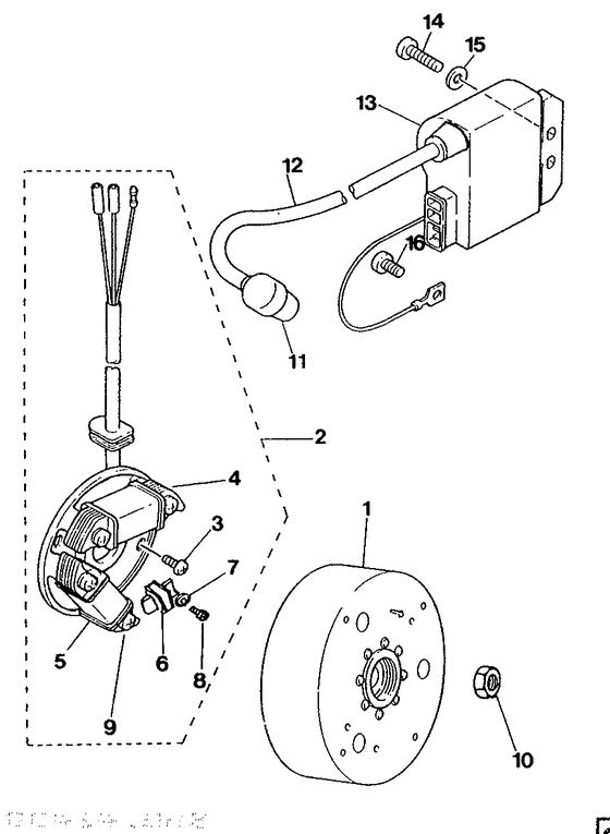
Генератор

Yamaha ME50 YAMY

Yamaha
Генератор
#oem кодцена
01
999-99999-99-00
Деталь Not Available
замена
1TL-H5550-00-00
Ротор
02
999-99999-99-00
Деталь Not Available
замена
1TL-H5560-00-00
Основание
03
замена
04
999-99999-99-00
Деталь Not Available
замена
1TL-H1313-00-00
Катушка
05
999-99999-99-00
Деталь Not Available
замена
1TL-H5512-00-00
Катушка
06
999-99999-99-00
Деталь Not Available
замена
1TL-H5580-00-00
Катушка
07
92990-03200-00
Шайба
замена
92901-03400-00
Шайба
08
замена
09
999-99999-99-00
Деталь Not Available
замена
97606-03112-00
Винт с шайбой
10
1TL-E1555-00-00
Деталь Nut, Crankshaft 1
11
999-99999-99-00
Деталь Not Available
замена
1TK-H2370-00-00
Провод высоковольтный
12
999-99999-99-00
Деталь Not Available
замена
1TL-H2341-00-00
Деталь Cord, High Tension 1
13
999-99999-99-00
Деталь Not Available
замена
1TK-H5540-00-00
Коммутатор
14
замена
15
92907-06600-00
Шайба
15
90201-061A5-00
Деталь Washer, Plate (4H7)
15
929-90066-00-00
Шайба
замена
92901-06600-00
Шайба
16
замена