• О Компании
  • Оплата и Доставка
  • Помощь
  • Обратная связь
  • Контакты
  • Telegram
  • ВКонтакте
  • Telegram
  • ВКонтакте
  • Регистрация
  • Авторизация
Интернет магазин мотозапчастей PartsFor.ru
Москва и регионы России
  • Личный кабинет
    • Заказы
    • Оплаты
    • Отгрузки
    • Сообщения
    • Профиль
    • Выход
  • Оригинальные запчасти
    • Для мотоциклов
    • Yamaha
    • Honda
    • Suzuki
    • Kawasaki
    • Harley Davidson
    • Ducati
    • Can-Am
    • Aprilia
    • BMW
    • Triumph
    • Husaberg
    • Husqvarna
    • KTM
    • Indian
    • Victory
    • Slingshot
    • Для мотоциклов
    • Для квадроциклов
    • Для снегоходов
    • Для мотовездеходов
    • Для гидроциклов
    • Для лодочных моторов
    • Для катеров
    • Для судовых двигателей
    • Для генераторов
    • Для квадроциклов
    • Yamaha
    • Honda
    • Suzuki
    • Kawasaki
    • Arctic Cat
    • Can-Am
    • Polaris
    • KTM
    • Для снегоходов
    • Yamaha
    • Arctic Cat
    • Lynx
    • Ski-Doo
    • Polaris
    • Для генераторов
    • Для мотовездеходов
    • Yamaha
    • Honda
    • Suzuki
    • Kawasaki
    • Arctic Cat
    • Can-Am
    • Polaris
    • Polaris RZR
    • Для гидроциклов
    • Yamaha
    • Honda Marine
    • Kawasaki
    • Arctic Cat
    • Polaris
    • Sea-Doo
    • Для лодочных моторов
    • Для катеров
    • Для суд. двигателей
    • Для генераторов
    • Для лодочных моторов
    • Yamaha
    • Honda Marine
    • Suzuki Marine
    • Evinrude
    • Johnson
    • Nissan
    • Tohatsu
    • Mercury
    • Force
    • Mariner
    • Для катеров
    • Yamaha
    • Sea-Doo
    • Для суд. двигателей
    • Для спецтехники
  • Неоригинал, расходники
  • Заказ по каталогам
    • КАТАЛОГ PARTS UNLIMITED
  • Моторезина
  1. Главная
  2. Запчасти для мотоциклов
  3. Yamaha
  4. IT
  5. IT175H

Запчасти для мотоциклов Yamaha IT175H

Год: 1981  •  Объем двигателя: 175

Запчасти для мотоциклов Yamaha IT175H
Вид:

  • IT175H C - d - i - magneto
    C - d - i - magneto
  • IT175H Карбюратор
    Карбюратор
  • IT175H Сцепление
    Сцепление
  • IT175H Боковые крышки
    Боковые крышки
  • IT175H Коленвал,поршни
    Коленвал,поршни
  • IT175H Электрика
    Электрика
    1
  • IT175H Выхлопная система
    Выхлопная система
  • IT175H Передняя вилка
    Передняя вилка
  • IT175H Переднее колесо
    Переднее колесо
  • IT175H Топливный бак
    Топливный бак
  • IT175H Фара
    Фара
  • IT175H Впускная система
    Впускная система
  • IT175H Переднее колесо
    Переднее колесо
  • IT175H Сиденье
    Сиденье
  • IT175H Управление
    Управление
  • IT175H Фонарь
    Фонарь
  • IT175H Трансмиссия
    Трансмиссия
  • IT175H Front fender-rear fender
    Front fender-rear fender
  • IT175H Кик стартер
    Кик стартер
  • IT175H Картер двигателя
    Картер двигателя
  • IT175H Цилиндры
    Цилиндры
  • IT175H Рама
    Рама
  • IT175H Приборы
    Приборы
  • IT175H Бугель
    Бугель
  • IT175H Задняя подвеска
    Задняя подвеска
  • IT175H Боковые обтекатели
    Боковые обтекатели
  • IT175H Handle switch-lever
    Handle switch-lever
  • IT175H Handlebar-cable
    Handlebar-cable
  • IT175H Shift cam-fork
    Shift cam-fork
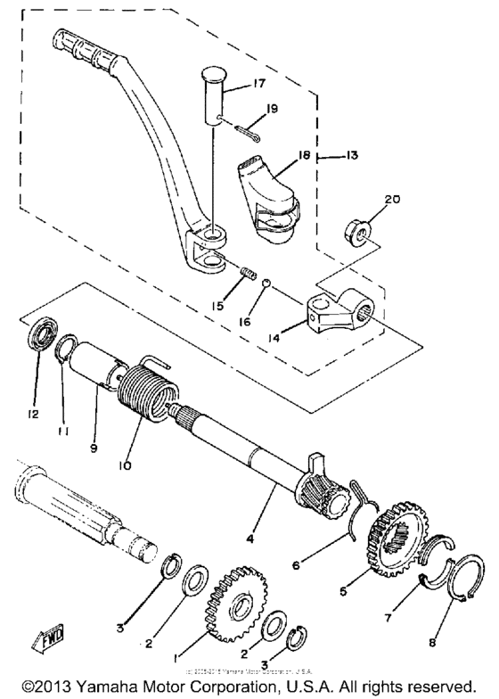
  • IT175H Shift shaft-pedal
    Shift shaft-pedal
  • IT175H Подножки
    Подножки



  Информация
  • Новости
  • О Компании
  • Оплата и Доставка
  • Помощь
  • Обратная связь
  • Контакты
  OEM запчасти
  • Запчасти для мотоциклов
  • Запчасти для квадроциклов
  • Запчасти для снегоходов
  • Запчасти для мотовездеходов
  • Запчасти для гидроциклов
  • Запчасти для лодочных моторов
  Наши контакты
  • ИП Зуев Артем Павлович
  • г. Москва 2-я Хуторская улица, д.29, офис 214
  • Email: info@partsfor.ru

Тел: ‎8(495) 532-03-60
8(909) 958-46-33; 8(925) 200-16-98

* все разговоры записываются
С 10.00 до 19.00 ПН - ПТ

© 2026 Интернет магазин запчастей для мототехники ПартсФор.

  • PaymentGateway
  • PaymentGateway
Договор-оферта
Образец договора для юр.лиц
Пользовательское соглашение
Политика конфиденциальности

Товар добавлен в корзину

Выбранный товар добавлен в Вашу корзину.
Далее Вы можете перейти в корзину для оформления заказа или закрыть это окно и продолжить покупки.

Перейти в корзину

Выбор модели техники

Выбрать