• О Компании
  • Оплата и Доставка
  • Помощь
  • Обратная связь
  • Контакты
  • Telegram
  • ВКонтакте
  • Telegram
  • ВКонтакте
  • Регистрация
  • Авторизация
Интернет магазин мотозапчастей PartsFor.ru
Москва и регионы России
  • Личный кабинет
    • Заказы
    • Оплаты
    • Отгрузки
    • Сообщения
    • Профиль
    • Выход
  • Оригинальные запчасти
    • Для мотоциклов
    • Yamaha
    • Honda
    • Suzuki
    • Kawasaki
    • Harley Davidson
    • Ducati
    • Can-Am
    • Aprilia
    • BMW
    • Triumph
    • Husaberg
    • Husqvarna
    • KTM
    • Indian
    • Victory
    • Slingshot
    • Для мотоциклов
    • Для квадроциклов
    • Для снегоходов
    • Для мотовездеходов
    • Для гидроциклов
    • Для лодочных моторов
    • Для катеров
    • Для судовых двигателей
    • Для генераторов
    • Для квадроциклов
    • Yamaha
    • Honda
    • Suzuki
    • Kawasaki
    • Arctic Cat
    • Can-Am
    • Polaris
    • KTM
    • Для снегоходов
    • Yamaha
    • Arctic Cat
    • Lynx
    • Ski-Doo
    • Polaris
    • Для генераторов
    • Для мотовездеходов
    • Yamaha
    • Honda
    • Suzuki
    • Kawasaki
    • Arctic Cat
    • Can-Am
    • Polaris
    • Polaris RZR
    • Для гидроциклов
    • Yamaha
    • Honda Marine
    • Kawasaki
    • Arctic Cat
    • Polaris
    • Sea-Doo
    • Для лодочных моторов
    • Для катеров
    • Для суд. двигателей
    • Для генераторов
    • Для лодочных моторов
    • Yamaha
    • Honda Marine
    • Suzuki Marine
    • Evinrude
    • Johnson
    • Nissan
    • Tohatsu
    • Mercury
    • Force
    • Mariner
    • Для катеров
    • Yamaha
    • Sea-Doo
    • Для суд. двигателей
    • Для спецтехники
  • Неоригинал, расходники
  • Заказ по каталогам
    • КАТАЛОГ PARTS UNLIMITED
  • Моторезина
  1. Главная
  2. Запчасти для мотоциклов
  3. Yamaha
  4. CZD300
  5. CZD300A

Запчасти для мотоциклов Yamaha CZD300A X-MAX

Год: 2017  •  Код модели: B741  •  Объем двигателя: 300

Запчасти для мотоциклов Yamaha CZD300A X-MAX
Вид:

  • CZD300A Цилиндры
    Цилиндры
  • CZD300A Crankshaft & piston
    Crankshaft & piston
  • CZD300A Клапана
    Клапана
  • CZD300A Camshaft & chain
    Camshaft & chain
  • CZD300A Водяной насос
    Водяной насос
  • CZD300A Radiator & hose
    Radiator & hose
  • CZD300A Масляный насос
    Масляный насос
  • CZD300A Впускная система
    Впускная система
  • CZD300A Выхлопная система
    Выхлопная система
  • CZD300A Картер двигателя
    Картер двигателя
  • CZD300A Крышка картера двигателя
    Крышка картера двигателя
  • CZD300A Стартер
    Стартер
  • CZD300A Сцепление
    Сцепление
  • CZD300A Трансмиссия
    Трансмиссия
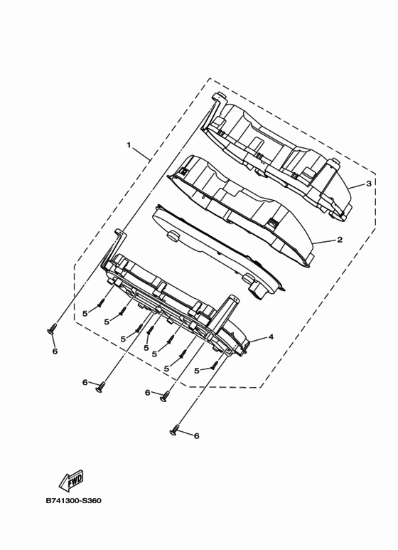
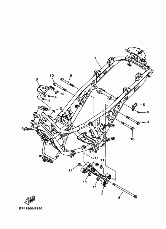
  • CZD300A Рама
    Рама
  • CZD300A Крыло
    Крыло
  • CZD300A Боковые обтекатели
    Боковые обтекатели
  • CZD300A Rear arm & suspension
    Rear arm & suspension
  • CZD300A Управление
    Управление
  • CZD300A Передняя вилка
    Передняя вилка
  • CZD300A Топливный бак
    Топливный бак
  • CZD300A Сиденье
    Сиденье
  • CZD300A Переднее колесо
    Переднее колесо
  • CZD300A Передний суппорт
    Передний суппорт
  • CZD300A Переднее колесо
    Переднее колесо
  • CZD300A Задний суппорт
    Задний суппорт
  • CZD300A Steering handle & cable
    Steering handle & cable
  • CZD300A Главный тормозной цилиндр
    Главный тормозной цилиндр
  • CZD300A Stand & footrest
    Stand & footrest
  • CZD300A Stand & footrest 2
    Stand & footrest 2
  • CZD300A Ветровое стекло
    Ветровое стекло
  • CZD300A Стекло ветровое
    Стекло ветровое
  • CZD300A Генератор
    Генератор
  • CZD300A Стартер
    Стартер
  • CZD300A Поворотники
    Поворотники
  • CZD300A Приборы
    Приборы
  • CZD300A Фара
    Фара
  • CZD300A Фонарь
    Фонарь
  • CZD300A Handle switch & lever
    Handle switch & lever
  • CZD300A Электрика 1
    Электрика 1
  • CZD300A Электрика 2
    Электрика 2
  • CZD300A Электрика 3
    Электрика 3



  Информация
  • Новости
  • О Компании
  • Оплата и Доставка
  • Помощь
  • Обратная связь
  • Контакты
  OEM запчасти
  • Запчасти для мотоциклов
  • Запчасти для квадроциклов
  • Запчасти для снегоходов
  • Запчасти для мотовездеходов
  • Запчасти для гидроциклов
  • Запчасти для лодочных моторов
  Наши контакты
  • ИП Зуев Артем Павлович
  • г. Москва 2-я Хуторская улица, д.29, офис 214
  • Email: info@partsfor.ru

Тел: ‎8(495) 532-03-60
8(909) 958-46-33; 8(925) 200-16-98

* все разговоры записываются
С 10.00 до 19.00 ПН - ПТ

© 2026 Интернет магазин запчастей для мототехники ПартсФор.

  • PaymentGateway
  • PaymentGateway
Договор-оферта
Образец договора для юр.лиц
Пользовательское соглашение
Политика конфиденциальности

Товар добавлен в корзину

Выбранный товар добавлен в Вашу корзину.
Далее Вы можете перейти в корзину для оформления заказа или закрыть это окно и продолжить покупки.

Перейти в корзину

Выбор модели техники

Выбрать