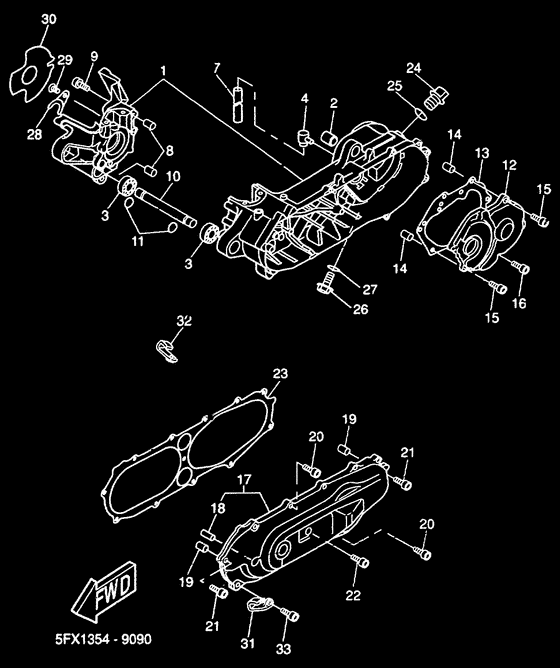
Запчасти для мотоциклов Yamaha CW50 BW'S

Год: 2000  •  Код модели: 5HG8  •  Объем двигателя: 50

Запчасти для мотоциклов Yamaha CW50 BW'S
Вид: