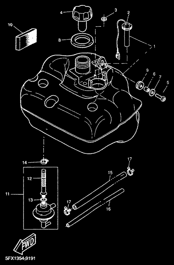
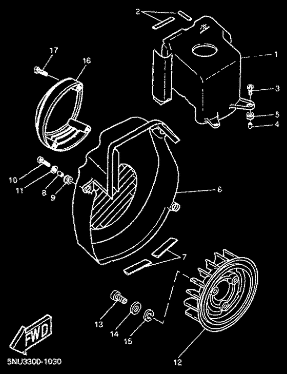
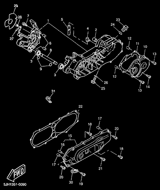
Запчасти для мотоциклов Yamaha CW50RS BW'S Next Generation

Год: 2001  •  Код модели: 5FXM  •  Объем двигателя: 50

Запчасти для мотоциклов Yamaha CW50RS BW'S Next Generation
Вид: