• О Компании
  • Оплата и Доставка
  • Помощь
  • Обратная связь
  • Контакты
  • Telegram
  • ВКонтакте
  • Telegram
  • ВКонтакте
  • Регистрация
  • Авторизация
Интернет магазин мотозапчастей PartsFor.ru
Москва и регионы России
  • Личный кабинет
    • Заказы
    • Оплаты
    • Отгрузки
    • Сообщения
    • Профиль
    • Выход
  • Оригинальные запчасти
    • Для мотоциклов
    • Yamaha
    • Honda
    • Suzuki
    • Kawasaki
    • Harley Davidson
    • Ducati
    • Can-Am
    • Aprilia
    • BMW
    • Triumph
    • Husaberg
    • Husqvarna
    • KTM
    • Indian
    • Victory
    • Slingshot
    • Для мотоциклов
    • Для квадроциклов
    • Для снегоходов
    • Для мотовездеходов
    • Для гидроциклов
    • Для лодочных моторов
    • Для катеров
    • Для судовых двигателей
    • Для генераторов
    • Для квадроциклов
    • Yamaha
    • Honda
    • Suzuki
    • Kawasaki
    • Arctic Cat
    • Can-Am
    • Polaris
    • KTM
    • Для снегоходов
    • Yamaha
    • Arctic Cat
    • Lynx
    • Ski-Doo
    • Polaris
    • Для генераторов
    • Для мотовездеходов
    • Yamaha
    • Honda
    • Suzuki
    • Kawasaki
    • Arctic Cat
    • Can-Am
    • Polaris
    • Polaris RZR
    • Для гидроциклов
    • Yamaha
    • Honda Marine
    • Kawasaki
    • Arctic Cat
    • Polaris
    • Sea-Doo
    • Для лодочных моторов
    • Для катеров
    • Для суд. двигателей
    • Для генераторов
    • Для лодочных моторов
    • Yamaha
    • Honda Marine
    • Suzuki Marine
    • Evinrude
    • Johnson
    • Nissan
    • Tohatsu
    • Mercury
    • Force
    • Mariner
    • Для катеров
    • Yamaha
    • Sea-Doo
    • Для суд. двигателей
    • Для спецтехники
  • Неоригинал, расходники
  • Заказ по каталогам
    • КАТАЛОГ PARTS UNLIMITED
  • Моторезина
  1. Главная
  2. Запчасти для мотоциклов
  3. Yamaha
  4. CS50
  5. CS50

Запчасти для мотоциклов Yamaha CS50 Jog R

Год: 2010  •  Код модели: 49D7  •  Объем двигателя: 50

Запчасти для мотоциклов Yamaha CS50 Jog R
Вид:

  • CS50 Цилиндр
    Цилиндр
  • CS50 Коленчатый вал и Поршень
    Коленчатый вал и Поршень
  • CS50 Воздухоотвод и вентилятор
    Воздухоотвод и вентилятор
  • CS50 Маслонасос
    Маслонасос
  • CS50 Впускная система
    Впускная система
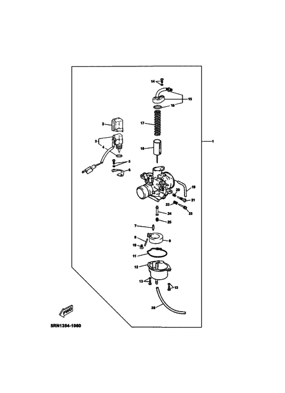
  • CS50 Carburetor assy
    Carburetor assy
  • CS50 Выхлоп
    Выхлоп
  • CS50 Картер двигателя
    Картер двигателя
  • CS50 Стартер
    Стартер
  • CS50 Бендикс
    Бендикс
  • CS50 Трансмиссия
    Трансмиссия
  • CS50 Frame comp
    Frame comp
  • CS50 Крыло
    Крыло
  • CS50 Боковая крышка
    Боковая крышка
  • CS50 Бак масляный
    Бак масляный
  • CS50 Задняя подвеска
    Задняя подвеска
  • CS50 Вилка передней оси
    Вилка передней оси
  • CS50 Tank fuel
    Tank fuel
  • CS50 Пружина
    Пружина
  • CS50 Transom + tube
    Transom + tube
  • CS50 Передний суппорт
    Передний суппорт
  • CS50 Rear wheel complete assy
    Rear wheel complete assy
  • CS50 Рулевой рычаг и кабель
    Рулевой рычаг и кабель
  • CS50 Передний тормозной цилиндр
    Передний тормозной цилиндр
  • CS50 Support & repose pied
    Support & repose pied
  • CS50 Щиток облицовочный
    Щиток облицовочный
  • CS50 Cowling comp
    Cowling comp
  • CS50 Generators
    Generators
  • CS50 Измерительный прибор
    Измерительный прибор
  • CS50 Phare
    Phare
  • CS50 Taillight unit ass`y
    Taillight unit ass`y
  • CS50 Interruptor  manillar&palanc
    Interruptor manillar&pal anc
  • CS50 Equipo electrico
    Equipo electrico



  Информация
  • Новости
  • О Компании
  • Оплата и Доставка
  • Помощь
  • Обратная связь
  • Контакты
  OEM запчасти
  • Запчасти для мотоциклов
  • Запчасти для квадроциклов
  • Запчасти для снегоходов
  • Запчасти для мотовездеходов
  • Запчасти для гидроциклов
  • Запчасти для лодочных моторов
  Наши контакты
  • ИП Зуев Артем Павлович
  • г. Москва 2-я Хуторская улица, д.29, офис 214
  • Email: info@partsfor.ru

Тел: ‎8(495) 532-03-60
8(909) 958-46-33; 8(925) 200-16-98

* все разговоры записываются
С 10.00 до 19.00 ПН - ПТ

© 2026 Интернет магазин запчастей для мототехники ПартсФор.

  • PaymentGateway
  • PaymentGateway
Договор-оферта
Образец договора для юр.лиц
Пользовательское соглашение
Политика конфиденциальности

Товар добавлен в корзину

Выбранный товар добавлен в Вашу корзину.
Далее Вы можете перейти в корзину для оформления заказа или закрыть это окно и продолжить покупки.

Перейти в корзину

Выбор модели техники

Выбрать