STAR VENTURE (XV19FMW/XV19FML) (2021)

Оригинальные запчасти для мотоциклов Yamaha (Америка)

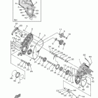
Выбор узла

STAR VENTURE  (XV19FMW/XV19FML) (2021)