SUPER TENERE ES (XTZ12ELCGY/XTZ12ELGY) (2020)

Оригинальные запчасти для мотоциклов Yamaha (Америка)

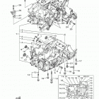
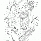
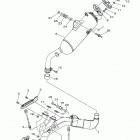
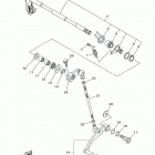
Выбор узла

SUPER TENERE ES  (XTZ12ELCGY/XTZ12ELGY) (2020)

Yamaha Super Tenere ES 1200 2020

Неоригинальные запчасти Parts Unlimited