XSR900 (XSR900JR/XSR900JCR) (2018)

Оригинальные запчасти для мотоциклов Yamaha (Америка)

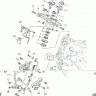
Выбор узла

XSR900 (XSR900JR/XSR900JCR) (2018)

Yamaha XSR 900 2018

Неоригинальные запчасти Parts Unlimited