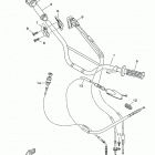
Yamaha TT-R 125 LE 2018

Неоригинальные запчасти Parts Unlimited