VMAX (VMX17HCR/VMX17HR) (2017)

Оригинальные запчасти для мотоциклов Yamaha (Америка)

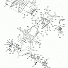
Выбор узла

VMAX (VMX17HCR/VMX17HR) (2017)