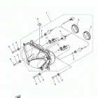
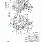
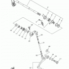
SUPER TENERE (XTZ12HT/XTZ12HCL/XTZ12HCT/XTZ12HL) (2017)

Оригинальные запчасти для мотоциклов Yamaha (Америка)

Выбор узла

SUPER TENERE (XTZ12HT/XTZ12HCL/XTZ12HCT/XTZ12HL) (2017)

Yamaha XT 1200 Z Super Tenere 2017

Неоригинальные запчасти Parts Unlimited