SUPER TENERE ES (XTZ12EHL/XTZ12EHCL) (2017)

Оригинальные запчасти для мотоциклов Yamaha (Америка)

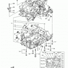
Выбор узла

SUPER TENERE ES (XTZ12EHL/XTZ12EHCL) (2017)