FZ07 ABS (FZ07AHR/FZ07AHCR) (2017)

Оригинальные запчасти для мотоциклов Yamaha (Америка)

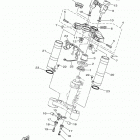
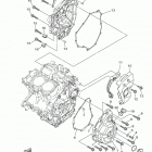
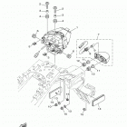
Выбор узла

FZ07 ABS (FZ07AHR/FZ07AHCR) (2017)

Yamaha FZ-07 2017

Неоригинальные запчасти Parts Unlimited