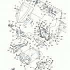
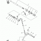
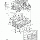
SUPER TENERE ES XTZ12EFR/XTZ12EFCR (2015)

Оригинальные запчасти для мотоциклов Yamaha (Америка)

Выбор узла

SUPER TENERE ES XTZ12EFR/XTZ12EFCR (2015)