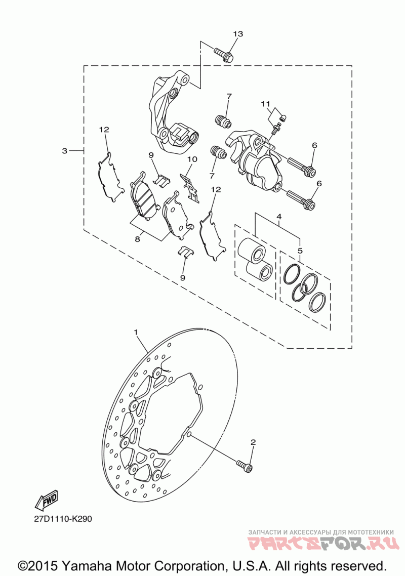
Передний суппорт

Yamaha (Америка) STRYKER BULLET COWL XVS13CFGR/XVS13CFCGR

Yamaha (Америка)
#oem кодцена
1
5D0-2581T-10-00
Тормозной диск
2
90111-08057-00
Винт, шестигранное углубление
3
27D-2580T-00-00
Деталь Caliper Assy (left) (left)
4
3YX-W0057-00-00
Поршень суппорта
5
3JB-25803-00-00
Манжеты комплект
6
5JW-25914-10-00
Палец
7
4TT-25937-00-00
Пыльник
8
5S7-W0045-00-00
Комплект тормозных колодок
9
4BP-25919-00-00
Держатель
10
3YX-25929-00-00
Пружина
11
15B-W0048-00-00
Штуцер прокачки
12
4DN-25827-00-00
Шайба
13
90105-10638-00
Деталь Bolt, Washer Based (5 Per Pack)