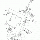
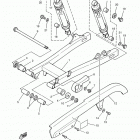
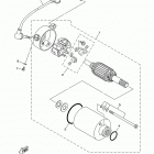
Yamaha XV 250 V-Star 2014

Неоригинальные запчасти Parts Unlimited