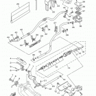
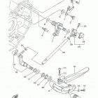
STRATOLINER DELUXE XV19CTFECR/XV19CTFER (2014)

Оригинальные запчасти для мотоциклов Yamaha (Америка)

Выбор узла

STRATOLINER DELUXE XV19CTFECR/XV19CTFER (2014)

Yamaha XV 1900 CTF Stratoliner Deluxe 2014

Неоригинальные запчасти Parts Unlimited