Боковая панель

Yamaha (Америка) BOLT R-SPEC XVS95CEGR/XVS95CECGR/XVS95CECGY/XVS95CEGY

Yamaha (Америка)
#oem кодцена
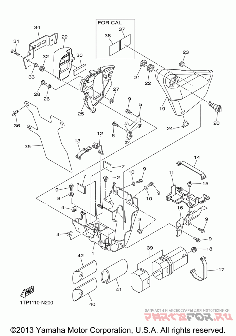
1
1TP-2177G-00-00
Короб АКБ
2
90480-07003-00
Уплотнитель резиновый
3
90387-06239-00
Манжета
4
90183-060A6-00
Гайка пружинная
5
1TP-2172E-00-00
Деталь Stay, Side Cover 1
6
92017-06012-00
Деталь Screw(3gg)
7
5S7-2139X-00-00
Демпфер
8
90387-06267-00
Манжета
9
10
90201-062P7-00
Шайба
11
1TP-2177A-00-00
Короб
12
3TJ-82131-00-00
Бандаж аккумулятора
13
1TP-82131-00-00
Бандаж аккумулятора
14
7H3-82131-00-00
Бандаж аккумулятора
15
90269-07077-00
Заклёпка
16
1TP-28170-00-00
Деталь Holder, Tool
17
7H3-82131-00-00
Бандаж аккумулятора
18
90480-20001-00
Уплотнитель резиновый
19
1TP-21711-00-00
Крышка
20
55K-21708-00-00
Деталь Lock Assy 2
21
90170-22187-00
Шестигранная гайка
22
90480-24186-00
Уплотнитель резиновый
23
90480-13014-00
Уплотнитель резиновый
24
2N4-21717-00-00
Демпфер
25
1TP-21721-00-00
Крышка
26
90387-06173-00
Манжета
27
90183-060A6-00
Гайка пружинная
28
29
1TP-2124E-00-00
Крышка короба
30
4D3-24181-00-00
Демпфер
31
32
90480-14003-00
Уплотнитель резиновый
33
90387-0602X-00
Манжета
34
1TP-2176E-00-00
Пластина
35
1TP-2172W-00-00
Крышка
36
90269-06008-00
Заклёпка
37
5RU-21686-00-00
Деталь Plate, Routing 2 For California
38
34B-21684-00-00
Пластина, (For California)
39
1TP-28173-00-00
Деталь Box, Tool
40
3D8-28100-10-00
Комплект инструментов
41
90520-08003-00
Дампер
42
1TP-28110-00-00
Деталь Tool Kit, 2