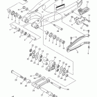
Yamaha YZ 250 F 2013

Неоригинальные запчасти Parts Unlimited