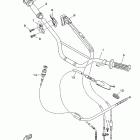
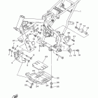
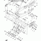
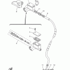
Yamaha TT-R 125 LE 2013

Неоригинальные запчасти Parts Unlimited