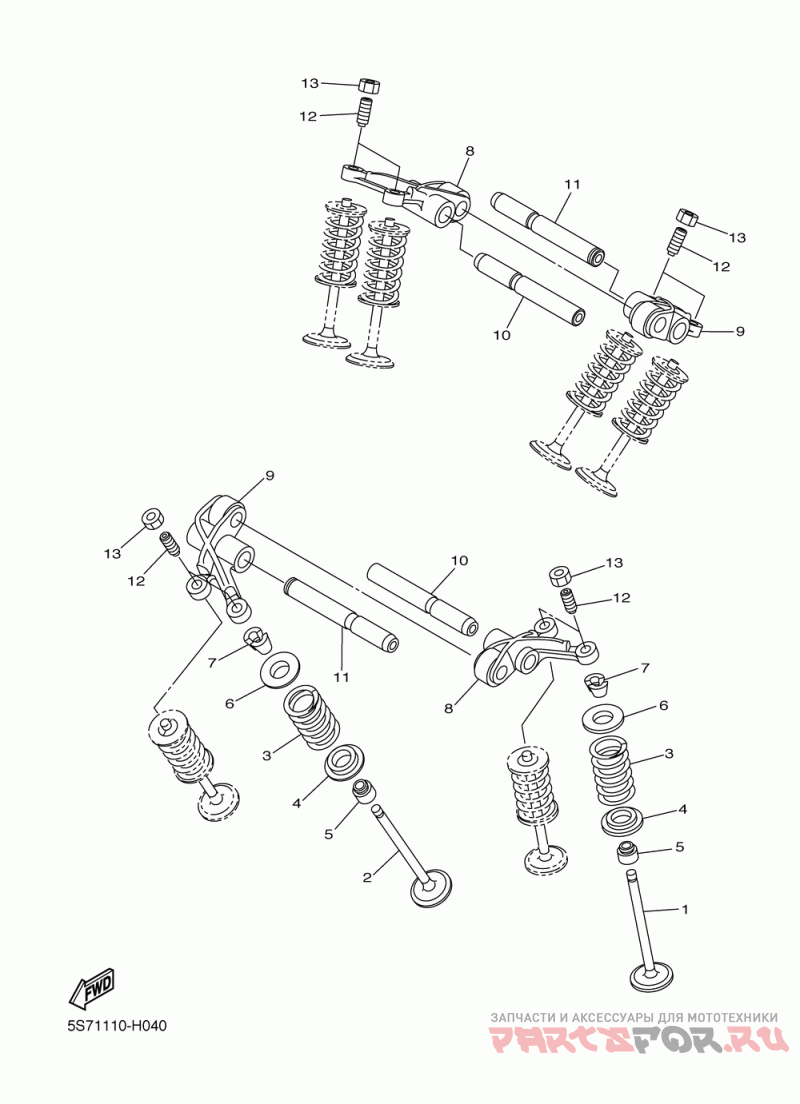
Клапана

Yamaha (Америка) V STAR 950 XVS95BCR/XVS95BS/XVS95BCS/XVS95BR

Yamaha (Америка)
#oem кодцена
1
5S7-12111-00-00
Клапан впускной
2
5S7-12121-00-00
Клапан выпускной
3
5S7-12113-00-00
Пружина клапана
4
3YF-12116-00-00
Седло пружины
5
5H0-12119-00-00
УПЛОТНЕНИЕ, ШТОК КЛАПАНА
6
3YF-12117-01-00
Тарелка клапанной пружины
7
4G0-12118-00-00
Сухарь
8
5S7-12151-00-00
РЫЧАГ, КОРОМЫСЛО КЛАПАНА
9
5S7-12161-00-00
Рычаг клапана
10
11
5S7-12156-00-00
Деталь Shaft, Rocker 2
12
13
90170-08173-00
Шестигранная гайка