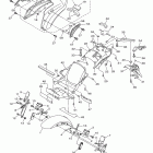
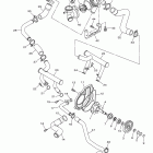
VMAX VMX17ACG/VMX17AG (2011)

Оригинальные запчасти для мотоциклов Yamaha (Америка)

Выбор узла

VMAX VMX17ACG/VMX17AG (2011)