FZ6R FZ6RAB/FZ6RACB (2011)

Оригинальные запчасти для мотоциклов Yamaha (Америка)

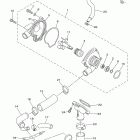
Выбор узла

FZ6R FZ6RAB/FZ6RACB (2011)

Yamaha FZ6 R 2011

Неоригинальные запчасти Parts Unlimited