FJR13AEYG/FJR13AEYCG (2009)

Оригинальные запчасти для мотоциклов Yamaha (Америка)

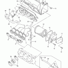
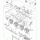
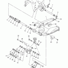
Выбор узла

FJR13AEYG/FJR13AEYCG (2009)