R6-YZFR6XY/YZFR6XYC (2008)

Оригинальные запчасти для мотоциклов Yamaha (Америка)

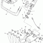
Выбор узла

R6-YZFR6XY/YZFR6XYC (2008)