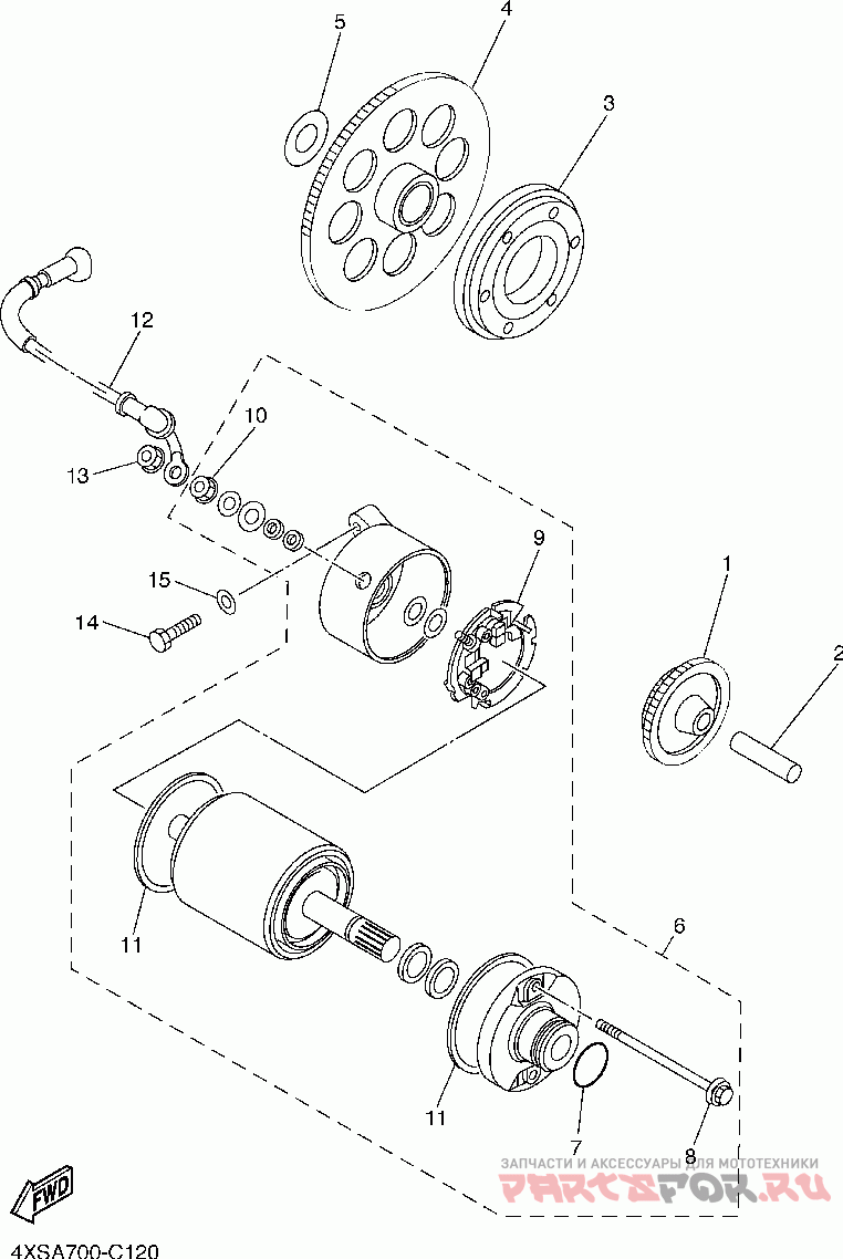
Муфта стартера
Yamaha (Америка) V STAR 650 CUSTOM CA-XVS65WC/XVS65W
| # | oem код | название | цена |
|---|---|---|---|
1 | 22U-15512-00-00 Шестерня | Шестерня | |
2 | 5H0-15521-00-00 Ось 1 | Ось 1 | |
3 | 4TR-15590-00-00 Деталь Str Chn Guide Asy | Деталь Str Chn Guide Asy | |
4 | 4VR-15517-01-00 Шестерня | Шестерня | |
5 | 90201-256K6-00 Шайба (отпускается по 5 шт) | Шайба (отпускается по 5 шт) | |
6 | 3JB-81890-00-00 Деталь Starting Motor Asy | Деталь Starting Motor Asy | |
7 | 93210-24235-00 Кольцо уплотнительное | Кольцо уплотнительное | |
8 | 3HE-81826-00-00 Болт | Болт | |
9 | 3KS-81840-00-00 Щеткодержателя | Щеткодержателя | |
10 | 4XV-8182A-00-00 Гайка | Гайка | |
11 | 11H-81844-00-00 Прокладка | Прокладка | |
12 | 4VR-81815-00-00 Кабель стартера | Кабель стартера | |
14 | 97070-06025-00 Болт | Болт | |
15 | 92990-06600-00 Шайба | Шайба |
