• О Компании
  • Оплата и Доставка
  • Помощь
  • Обратная связь
  • Контакты
  • Telegram
  • ВКонтакте
  • Telegram
  • ВКонтакте
  • Регистрация
  • Авторизация
Интернет магазин мотозапчастей PartsFor.ru
Москва и регионы России
  • Личный кабинет
    • Заказы
    • Оплаты
    • Отгрузки
    • Сообщения
    • Профиль
    • Выход
  • Оригинальные запчасти
    • Для мотоциклов
    • Yamaha
    • Honda
    • Suzuki
    • Kawasaki
    • Harley Davidson
    • Ducati
    • Can-Am
    • Aprilia
    • BMW
    • Triumph
    • Husaberg
    • Husqvarna
    • KTM
    • Indian
    • Victory
    • Slingshot
    • Для мотоциклов
    • Для квадроциклов
    • Для снегоходов
    • Для мотовездеходов
    • Для гидроциклов
    • Для лодочных моторов
    • Для катеров
    • Для судовых двигателей
    • Для генераторов
    • Для квадроциклов
    • Yamaha
    • Honda
    • Suzuki
    • Kawasaki
    • Arctic Cat
    • Can-Am
    • Polaris
    • KTM
    • Для снегоходов
    • Yamaha
    • Arctic Cat
    • Lynx
    • Ski-Doo
    • Polaris
    • Для генераторов
    • Для мотовездеходов
    • Yamaha
    • Honda
    • Suzuki
    • Kawasaki
    • Arctic Cat
    • Can-Am
    • Polaris
    • Polaris RZR
    • Для гидроциклов
    • Yamaha
    • Honda Marine
    • Kawasaki
    • Arctic Cat
    • Polaris
    • Sea-Doo
    • Для лодочных моторов
    • Для катеров
    • Для суд. двигателей
    • Для генераторов
    • Для лодочных моторов
    • Yamaha
    • Honda Marine
    • Suzuki Marine
    • Evinrude
    • Johnson
    • Nissan
    • Tohatsu
    • Mercury
    • Force
    • Mariner
    • Для катеров
    • Yamaha
    • Sea-Doo
    • Для суд. двигателей
    • Для спецтехники
  • Неоригинал, расходники
  • Заказ по каталогам
    • КАТАЛОГ PARTS UNLIMITED
  • Моторезина
  1. Главная
  2. Запчасти для мотоциклов
  3. Yamaha (Америка)
  4. 2007
  5. STRATOLINER CA-XV19CTWC/XV19CTW

STRATOLINER CA-XV19CTWC/XV19CTW (2007)

Оригинальные запчасти для мотоциклов Yamaha (Америка)

Выбор узла

STRATOLINER CA-XV19CTWC/XV19CTW (2007)
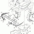
  • STRATOLINER CA-XV19CTWC/XV19CTW Фара
    Фара
  • STRATOLINER CA-XV19CTWC/XV19CTW Цепь механизма газораспределения
    Цепь механизма газораспределени я
  • STRATOLINER CA-XV19CTWC/XV19CTW Впускная система
    Впускная система
  • STRATOLINER CA-XV19CTWC/XV19CTW Сцепление
    Сцепление
  • STRATOLINER CA-XV19CTWC/XV19CTW Впускная система 2
    Впускная система 2
  • STRATOLINER CA-XV19CTWC/XV19CTW Обтекатели
    Обтекатели
  • STRATOLINER CA-XV19CTWC/XV19CTW Спидометр
    Спидометр
  • STRATOLINER CA-XV19CTWC/XV19CTW Картер
    Картер
  • STRATOLINER CA-XV19CTWC/XV19CTW Промежуточный ведущий вал
    Промежуточный ведущий вал
  • STRATOLINER CA-XV19CTWC/XV19CTW Крышка картера двигателя
    Крышка картера двигателя
  • STRATOLINER CA-XV19CTWC/XV19CTW Масляный картер
    Масляный картер
  • STRATOLINER CA-XV19CTWC/XV19CTW Коленчатый вал и Поршень
    Коленчатый вал и Поршень
  • STRATOLINER CA-XV19CTWC/XV19CTW Масляный насос
    Масляный насос
  • STRATOLINER CA-XV19CTWC/XV19CTW Цилиндр
    Цилиндр
  • STRATOLINER CA-XV19CTWC/XV19CTW Задний рычаг подвески
    Задний рычаг подвески
  • STRATOLINER CA-XV19CTWC/XV19CTW Головка цилиндра
    Головка цилиндра
  • STRATOLINER CA-XV19CTWC/XV19CTW Задний суппорт тормозной
    Задний суппорт тормозной
  • STRATOLINER CA-XV19CTWC/XV19CTW Электрика 1
    Электрика 1
  • STRATOLINER CA-XV19CTWC/XV19CTW Задний торм цилиндр
    Задний торм цилиндр
  • STRATOLINER CA-XV19CTWC/XV19CTW Электрика 2
    Электрика 2
  • STRATOLINER CA-XV19CTWC/XV19CTW Заднее колесо
    Заднее колесо
  • STRATOLINER CA-XV19CTWC/XV19CTW Выхлопная система
    Выхлопная система
  • STRATOLINER CA-XV19CTWC/XV19CTW Кофр 1
    Кофр 1
  • STRATOLINER CA-XV19CTWC/XV19CTW Крыло
    Крыло
  • STRATOLINER CA-XV19CTWC/XV19CTW Сидение
    Сидение
  • STRATOLINER CA-XV19CTWC/XV19CTW Поворотники
    Поворотники
  • STRATOLINER CA-XV19CTWC/XV19CTW Копирный вал
    Копирный вал
  • STRATOLINER CA-XV19CTWC/XV19CTW Рама
    Рама
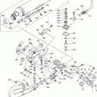
  • STRATOLINER CA-XV19CTWC/XV19CTW Вал переключения
    Вал переключения
  • STRATOLINER CA-XV19CTWC/XV19CTW Передний тормозной суппорт
    Передний тормозной суппорт
  • STRATOLINER CA-XV19CTWC/XV19CTW Боковая панель
    Боковая панель
  • STRATOLINER CA-XV19CTWC/XV19CTW Передняя вилка
    Передняя вилка
  • STRATOLINER CA-XV19CTWC/XV19CTW Подножки
    Подножки
  • STRATOLINER CA-XV19CTWC/XV19CTW Главный тормозной цилиндр,передний
    Главный тормозной цилиндр,передний
  • STRATOLINER CA-XV19CTWC/XV19CTW Стартер
    Стартер
  • STRATOLINER CA-XV19CTWC/XV19CTW Переднее колесо
    Переднее колесо
  • STRATOLINER CA-XV19CTWC/XV19CTW Рулевое управление
    Рулевое управление
  • STRATOLINER CA-XV19CTWC/XV19CTW Топливный бак
    Топливный бак
  • STRATOLINER CA-XV19CTWC/XV19CTW Троса
    Троса
  • STRATOLINER CA-XV19CTWC/XV19CTW Топливный бак 2
    Топливный бак 2
  • STRATOLINER CA-XV19CTWC/XV19CTW Фонарь задний
    Фонарь задний
  • STRATOLINER CA-XV19CTWC/XV19CTW Генератор
    Генератор
  • STRATOLINER CA-XV19CTWC/XV19CTW Трансмиссия
    Трансмиссия
  • STRATOLINER CA-XV19CTWC/XV19CTW Рулевые переключатели
    Рулевые переключатели
  • STRATOLINER CA-XV19CTWC/XV19CTW Клапана
    Клапана


  Информация
  • Новости
  • О Компании
  • Оплата и Доставка
  • Помощь
  • Обратная связь
  • Контакты
  OEM запчасти
  • Запчасти для мотоциклов
  • Запчасти для квадроциклов
  • Запчасти для снегоходов
  • Запчасти для мотовездеходов
  • Запчасти для гидроциклов
  • Запчасти для лодочных моторов
  Наши контакты
  • ИП Зуев Артем Павлович
  • г. Москва 2-я Хуторская улица, д.29, офис 214
  • Email: info@partsfor.ru

Тел: ‎8(495) 532-03-60
8(909) 958-46-33; 8(925) 200-16-98

* все разговоры записываются
С 10.00 до 19.00 ПН - ПТ

© 2026 Интернет магазин запчастей для мототехники ПартсФор.

  • PaymentGateway
  • PaymentGateway
Договор-оферта
Образец договора для юр.лиц
Пользовательское соглашение
Политика конфиденциальности

Товар добавлен в корзину

Выбранный товар добавлен в Вашу корзину.
Далее Вы можете перейти в корзину для оформления заказа или закрыть это окно и продолжить покупки.

Перейти в корзину

Выбор модели техники

Выбрать