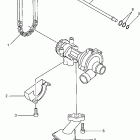
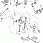
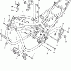
FZ1 (2004)

Оригинальные запчасти для мотоциклов Yamaha (Америка)

Выбор узла

FZ1 (2004)

Yamaha FZ1 2004

Неоригинальные запчасти Parts Unlimited