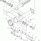
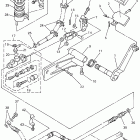
Royal Star Tour Deluxe (2001)

Оригинальные запчасти для мотоциклов Yamaha (Америка)

Выбор узла

Royal Star Tour Deluxe (2001)