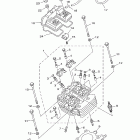
Yamaha TT-R 250 2000

Неоригинальные запчасти Parts Unlimited