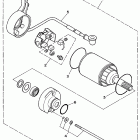
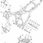
Yamaha TT-R 225 1999

Неоригинальные запчасти Parts Unlimited