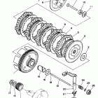
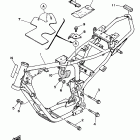
Yamaha RT 100 1998

Неоригинальные запчасти Parts Unlimited