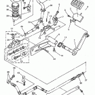
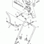
Royal Star Boulevard 1300-XVZ13AKC/XVZ13AK (1998)

Оригинальные запчасти для мотоциклов Yamaha (Америка)

Выбор узла

Royal Star Boulevard 1300-XVZ13AKC/XVZ13AK (1998)