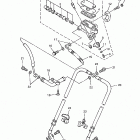
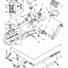
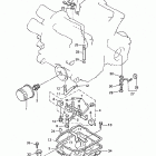
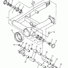
Royal Star (1998)

Оригинальные запчасти для мотоциклов Yamaha (Америка)

Выбор узла

Royal Star (1998)