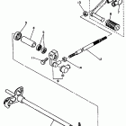
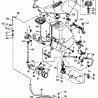
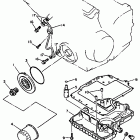
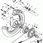
FZR 600RK (1998)

Оригинальные запчасти для мотоциклов Yamaha (Америка)

Выбор узла

FZR 600RK (1998)