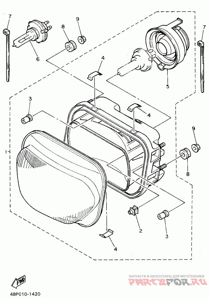
Фара

Yamaha (Америка) XJ 600S

Yamaha (Америка)
#oem кодцена
1
4BP-84303-00-00
Фара головного света
2
3AJ-8431U-00-00
Держатель
3
51L-84334-00-00
Гайка
4
3MA-8413H-00-00
Гайка-пружинная
5
36Y-84397-00-00
Крышка
6
5V2-84314-00-XX
Деталь Bulb, H4 12v60/55w
7
80L-26397-00-00
Хомут
8
90480-14229-00
Уплотнитель
9
95707-08500-00
Гайка