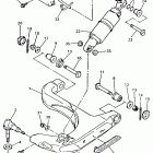
GTS 1000 (1993)

Оригинальные запчасти для мотоциклов Yamaha (Америка)

Выбор узла

GTS 1000 (1993)